回复:G120驱动参数组DDS切换

已锁定

hbttkj

  • 帖子

    1081
  • 精华

    26
  • 被关注

    292

论坛等级:至圣

注册时间:2010-10-15

钻石 钻石 如何晋级?

发布于 2021-03-10 14:51:25

6楼

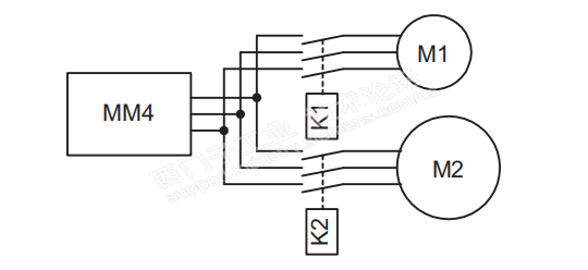
 在《MM440使用大全》的P820参数解释下面,有一个专门的配图,让我的理解这个参数的功能就是实现不同功率电动机的切换。

 

 

从最早看《MM440使用大全》时,就一直以为在MM440变频器中DDS的P820和P821参数,只能在调试(C)和运行准备时(T) 才可以进行切换。在变频器运行时,即使P820和P821接收到切换的高电平信号,变频器也是不执行DDS切换的。

 

现在细细去读手册中注释,应该这样理解P820和P821参数,是变频器在调试(C)和运行准备时(T)状态下,这些参数的"数值"在这个状态下可以进行修改。

 

如果P820和P821可以在变频器运行时,就可以切换DDS数据组,这样一台变频器分别拖动A和B二台不同功率的电动机,考虑的联锁和互锁的条件就要复杂些了,需要使用自由功能块(FFB)来处理。


我的gmail的邮箱近期总收不到邮件,现更改为:hbttkj@163.com
评论
编辑推荐: 关闭

请填写推广理由:

本版热门话题

SINAMICS

共有8214条技术帖

相关推荐

热门标签

相关帖子推荐

guzhang

恭喜,你发布的帖子

评为精华帖!

快扫描右侧二维码晒一晒吧!

再发帖或跟帖交流2条,就能晋升VIP啦!开启更多专属权限!

  • 分享

  • 只看
    楼主

top
X 图片
您收到0封站内信:
×
×
信息提示
很抱歉!您所访问的页面不存在,或网址发生了变化,请稍后再试。