回复:给看一下MODBUS轮询的程序..的对错

已锁定

Zaxife

  • 帖子

    2450
  • 精华

    31
  • 被关注

    78

论坛等级:至圣

注册时间:2008-07-24

普通 普通 如何晋级?

发布于 2021-04-14 18:02:35

2楼

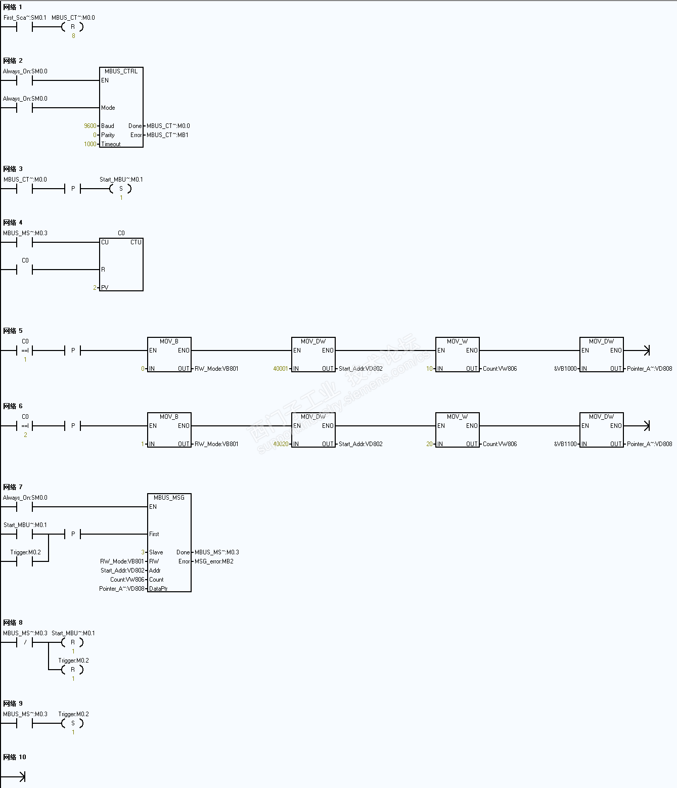
下载到PLC,执行程序MBUS_MSG直接Error:6?

算了,不浪费时间折腾了,MBUS_MSG的EN、First不能用两个位来触发的,否则死透的。

建议你看看官方用计数器轮询的单MBUS_MSG应用例程,计数器C等于不同的值选择不同的指令组合。

PLC的RAM是如此的少,我完全放弃这种消耗大量RAM的假通用模块了。


modbus_master_polling.zip


评论
编辑推荐: 关闭

请填写推广理由:

本版热门话题

SIMATIC S7-200 SMART

共有9389条技术帖

相关推荐

热门标签

相关帖子推荐

guzhang

恭喜,你发布的帖子

评为精华帖!

快扫描右侧二维码晒一晒吧!

再发帖或跟帖交流2条,就能晋升VIP啦!开启更多专属权限!

  • 分享

  • 只看
    楼主

top
X 图片
您收到0封站内信:
×
×
信息提示
很抱歉!您所访问的页面不存在,或网址发生了变化,请稍后再试。