SM334(6ES7334-0CE01-0AA0)模块测试记
今天下午,正兴致勃勃的在上网课时,公司同事拿来一个西门子SM334使用过的2个旧模块,让我来测试一下模拟量综合模块的好坏,原因是他怀疑是这个模块引起的设备故障。
正好,手头上上次测试过其它项目的cpu没有归还,还放在我办公室货柜里。拿出来让同事将待测试的模块安装到300的导轨上,我又找了一个弹簧型前连接器,插入前连接器位置固定。找了一些导线,分别连接到我之前购买的信号发生器。
我在组态硬件时,“发现”一个严重的问题,该模拟量混合模块具体没有通道组态选项,难道是我电脑的版本问题?我的电脑仍然使用STEP7 V5.4的老版本,一直没有更新,硬件组态界面:

该模拟量混合模块,除了常规信息(模块订货号外),就是模拟量的硬件组态地址信息了,难道不需要组态各通道信息?一般我一直在使用模拟量模块时,难免要组态一下模拟量输入、输出通道的选项。今天下午我还真的不相信自己的眼睛了,拿出另一台电脑,V5.5版本的打开STEP7 尝试着组态SM334模块,结果是一样的。没有办法先看看300模块手册吧,图示:

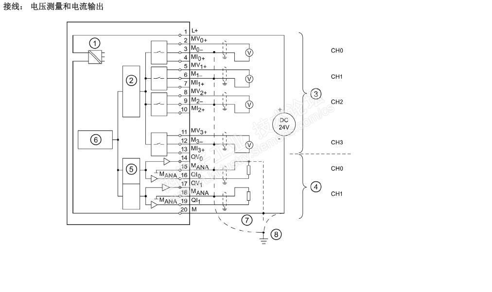
手册清清楚楚告知,这个模块确实不需要组态的,4个输入通道为电压输入型,输出为电压和电流输出型,只是这个是通道端子作为输出选项的。
通过模块输出及接线的确认后,根据模块输出连接好信号发生器,上电测试,图示:

模块运行正常,没有报警,创建一个变量表,方便监控模拟量输入的4个通道,图示:

为测试模拟量输出,在OB1中写了2个简单的测试程序,图示:

通过信号发生器发送0-10V的电压信号,PIW256~PIW262通道上能够正常显示0-27648之间的数据正常变化,给MW0~MW2分别写入13824~27648等数据,用万用表监控模拟量输出各通道显示电压数据也正常,此测试结束。
之所以我写这个帖子,是出于我对“自以为”熟悉了的西门子各类型模块,及西门子300的模拟量输入、输出模块有一些了解的我,居然第一次应用到不需要组态通道信息的模拟量模块,是我写帖子的初衷,通过这次测试,更加深了我对西门子300模拟量模块的新认识。