故事的展开是这样的:
用户一组运行了十多年的装机装柜型的6SE70逆变器(定货号:6SE7035-7WK60,500KW)服役期满,用SINAMICS的S120替代。
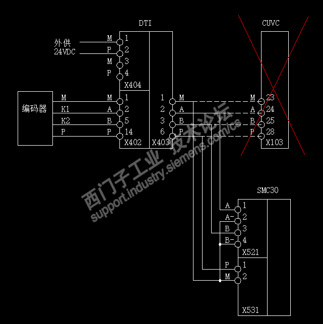
原系统采用VC控制方式,速度实际值来自HUBNAR编码器,通过DTI板转接。原理图给出经典的6SE70编码器的接线方式,如下:

这套系统已运行十多年,因而,对这个接线没有存在任何异议,直接在新的系统中把DTI板中X402端子上的线接到了SINAMICS的SMC30上,如下图所示:

但是,很不幸,用V/F方式一转电机,编码器的波形如下:

这个,太熟悉,跟我以前写的一个帖子神似啊。帖子如下:调试DCM时如果看到这种速度实际值的波形,怎么办?
这必须是编码器容量不足导致的。但是,更换编码器是不实现的。不过,可以用差分信号啊。改接线形式,如下:

因为DTI的差分输出只能是X405端子的5V的TTL信号,因而,就按上图所示,做了5V差分信号的联接,并且在STARTER中对SMC30重新组态成5V的双极性TTL信号,如下图所示:

再测试,速度反馈终于正常了。如下:

所以,心得是,在S120中,如果通用差分信号,坚决不用共模信号。