变送器,只有电流才分有源无源吗

已锁定

鲁西西

  • 帖子

    587
  • 精华

    1
  • 被关注

    147

论坛等级:侠圣

注册时间:2017-10-09

钻石 钻石 如何晋级?

变送器,只有电流才分有源无源吗

404

2

2021-07-15 15:30:35

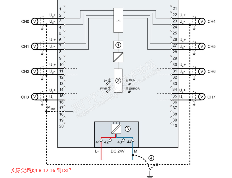
在学习1500的模拟量模块,一边看接线原理图,一边看接线示意图。

咩有实物,先了解


我感觉,自己最近迷上了,原理图学习了。

我还有个疑问,

实际运用中,会把所有通道的负短接到MANA吗



变送器,只有电流才分有源无源吗 已锁定
编辑推荐: 关闭

请填写推广理由:

本版热门话题

SIMATIC S7-1500系列

共有10590条技术帖

相关推荐

热门标签

相关帖子推荐

guzhang

恭喜,你发布的帖子

评为精华帖!

快扫描右侧二维码晒一晒吧!

再发帖或跟帖交流2条,就能晋升VIP啦!开启更多专属权限!

  • 分享

  • 只看
    楼主

top
您收到0封站内信:
×
×
信息提示
很抱歉!您所访问的页面不存在,或网址发生了变化,请稍后再试。