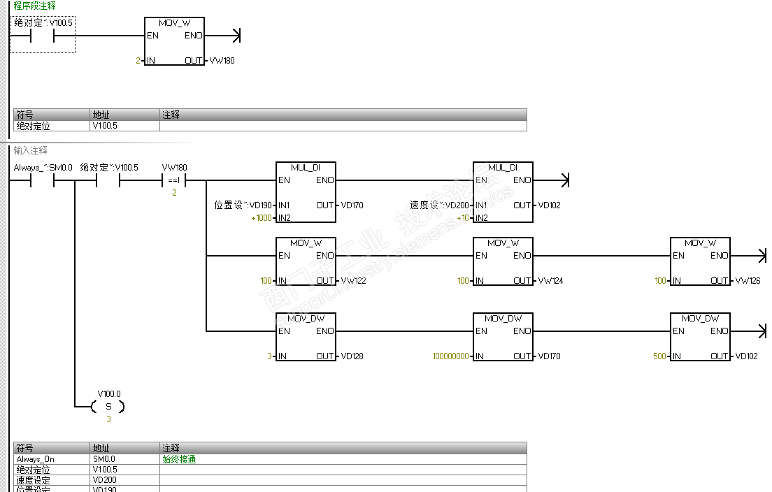
200SMART通过EPOS控制V90,做绝对运动,V90闪烁报8051,通讯故障

已锁定

奋进的小蜗牛

  • 帖子

    2
  • 精华

    0
  • 被关注

    1

论坛等级:新手

注册时间:2020-11-06

普通 普通 如何晋级?

200SMART通过EPOS控制V90,做绝对运动,V90闪烁报8051,通讯故障

1992

3

2021-08-31 09:31:39

V90端IP,名称均一致,就是通讯不上   CPU端口通讯正常


200SMART通过EPOS控制V90,做绝对运动,V90闪烁报8051,通讯故障 已锁定
编辑推荐: 关闭

请填写推广理由:

本版热门话题

SIMATIC S7-200 SMART

共有9371条技术帖

相关推荐

热门标签

相关帖子推荐

guzhang

恭喜,你发布的帖子

评为精华帖!

快扫描右侧二维码晒一晒吧!

再发帖或跟帖交流2条,就能晋升VIP啦!开启更多专属权限!

  • 分享

  • 只看
    楼主

top
X 图片
您收到0封站内信:
×
×
信息提示
很抱歉!您所访问的页面不存在,或网址发生了变化,请稍后再试。