回复:如何编写一个类推的计算程序 请各位大佬帮忙解答 感谢

已锁定

好大的鱼

西门子1847工业学习平台

  • 帖子

    181
  • 精华

    0
  • 被关注

    3

论坛等级:侠士

注册时间:2019-07-22

普通 普通 如何晋级?

发布于 2021-09-09 16:40:32

4楼

展开查看
以下是引用好大的鱼在2021-09-09 16:00:20的发言 >3楼

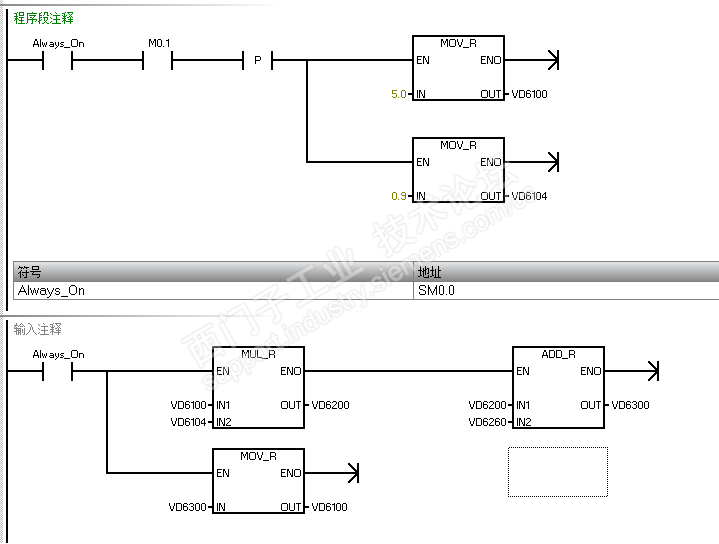
你第一次M0.1给VD6100赋完值以后就断开啊,然后你最后把值放在VD6300里面,再加一步传给VD6100,不就行了?PLC循环扫描的。。。

以下是引用手机用户20210517F40D6N在2021-09-09 15:21:22的发言 >2楼:就是这样的思路   

引用2楼详细内容:

就是这样的思路   



你试一下吧,另外浮点数是占4个字节。

学习西门子,晚上好睡觉
评论
编辑推荐: 关闭

请填写推广理由:

本版热门话题

SIMATIC S7-200 SMART

共有9426条技术帖

相关推荐

热门标签

相关帖子推荐

guzhang

恭喜,你发布的帖子

评为精华帖!

快扫描右侧二维码晒一晒吧!

再发帖或跟帖交流2条,就能晋升VIP啦!开启更多专属权限!

  • 分享

  • 只看
    楼主

top
X 图片
您收到0封站内信:
×
×
信息提示
很抱歉!您所访问的页面不存在,或网址发生了变化,请稍后再试。