回复:1200用接近开关怎么测速,怎么实现。这个200编写的,各路大神帮一下

已锁定

王明永

  • 帖子

    196
  • 精华

    1
  • 被关注

    2

论坛等级:侠客

注册时间:2014-07-19

普通 普通 如何晋级?

发布于 2021-09-20 18:26:26

2楼


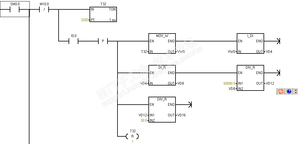
T32定时器在1200如何表达,,后面i0.0 上升沿怎么处理。后面T32定时器在1200如何表达?

Never give up
评论
编辑推荐: 关闭

请填写推广理由:

本版热门话题

SIMATIC S7-1200系列

共有15679条技术帖

相关推荐

热门标签

相关帖子推荐

guzhang

恭喜,你发布的帖子

评为精华帖!

快扫描右侧二维码晒一晒吧!

再发帖或跟帖交流2条,就能晋升VIP啦!开启更多专属权限!

  • 分享

  • 只看
    楼主

top
X 图片
您收到0封站内信:
×
×
信息提示
很抱歉!您所访问的页面不存在,或网址发生了变化,请稍后再试。