回复:6ra70的电流互感器接反会导致电流变小吗?

已锁定

锋言锋语

西门子1847工业学习平台

  • 帖子

    3976
  • 精华

    54
  • 被关注

    131

论坛等级:至圣

注册时间:2011-07-31

钻石 钻石 如何晋级?

发布于 2021-09-28 16:10:46

28楼


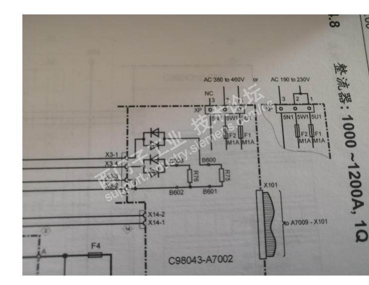
我一直不太明白这个电流检测为什么是这样的? 这些二极管看上去没啥用啊。

不忘初心
评论
编辑推荐: 关闭

请填写推广理由:

本版热门话题

直流调速器

共有3840条技术帖

相关推荐

热门标签

相关帖子推荐

guzhang

恭喜,你发布的帖子

评为精华帖!

快扫描右侧二维码晒一晒吧!

再发帖或跟帖交流2条,就能晋升VIP啦!开启更多专属权限!

  • 分享

  • 只看
    楼主

top
X 图片
您收到0封站内信:
×
×
信息提示
很抱歉!您所访问的页面不存在,或网址发生了变化,请稍后再试。