V存储区的作用

已锁定

手机用户20210930565717

  • 帖子

    2
  • 精华

    0
  • 被关注

    0

论坛等级:新手

注册时间:2021-09-30

普通 普通 如何晋级?

V存储区的作用

1898

14

2021-09-30 17:41:32

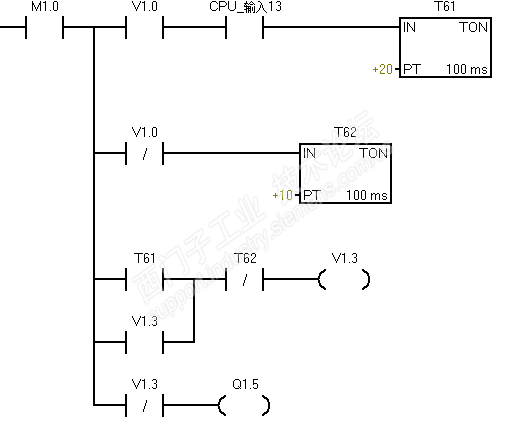
各位大佬这段程序的V1.0什么意思,这是段程序是控制变频器的启停

V存储区的作用 已锁定
编辑推荐: 关闭

请填写推广理由:

本版热门话题

SIMATIC S7-200 SMART

共有9414条技术帖

相关推荐

热门标签

相关帖子推荐

guzhang

恭喜,你发布的帖子

评为精华帖!

快扫描右侧二维码晒一晒吧!

再发帖或跟帖交流2条,就能晋升VIP啦!开启更多专属权限!

  • 分享

  • 只看
    楼主

top
X 图片
您收到0封站内信:
×
×
信息提示
很抱歉!您所访问的页面不存在,或网址发生了变化,请稍后再试。