回复:大家来看一下这个cfc块

已锁定

liul_sharp

  • 帖子

    389
  • 精华

    54
  • 被关注

    22

论坛等级:奇侠

注册时间:2013-12-18

白金 白金 如何晋级?

发布于 2021-11-03 21:36:59

6楼

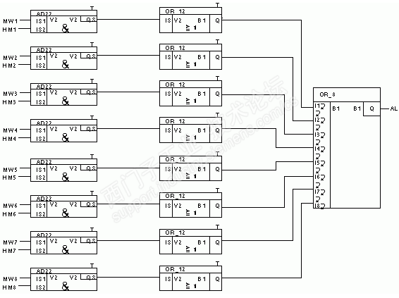
我手里的一个块虽然名字不同,但是功能一样。




评论
编辑推荐: 关闭

请填写推广理由:

本版热门话题

SINAMICS

共有8123条技术帖

相关推荐

热门标签

相关帖子推荐

guzhang

恭喜,你发布的帖子

评为精华帖!

快扫描右侧二维码晒一晒吧!

再发帖或跟帖交流2条,就能晋升VIP啦!开启更多专属权限!

  • 分享

  • 只看
    楼主

top
X 图片
您收到0封站内信:
×
×
信息提示
很抱歉!您所访问的页面不存在,或网址发生了变化,请稍后再试。