西门子LOGO和以太网MODBUS TCP通讯
SMART200主站LOGO从站
上次做了一下LOGO利用S7协议进行以太网的通讯测试,这次又倒腾了一下,做了一次基于MODBUS TCP协议的以太网通讯测试,其中仍然将SMART作为主站(客服端),LOGO作为从站(服务器)。
一、LOGO从站配置

LOGO MODBUS TCP设置

LOGO测试程序
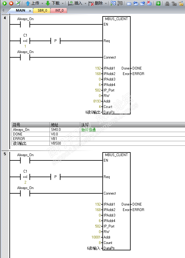
二、SMART主站配置





SMART200程序
实际测试:

LOGO从站监控

SMART状态监控
经过测试SMART读写LOGO位、字节均能正常使用,同样LOGO接收的数据是地位在前,高位在后,和平常PLC有点不一样。另外读LOGO数字输入的地址是从10001开始,写字节时是从30001或40001开始。与LOGO软件里提示的地址有些不一样。