回复:求教G120C宏功能

已锁定

Aicrystal_1314

  • 帖子

    12
  • 精华

    0
  • 被关注

    0

论坛等级:游民

注册时间:2021-10-21

普通 普通 如何晋级?

发布于 2021-11-10 20:47:05

14楼

展开查看
以下是引用yming在2021-11-10 16:21:23的发言 >11楼

功能的输入、输出接口都一样!

仅仅是因为 功能块参数3334 选择不同,该功能块的输出状态就不同了。


G120-2早期的版本没有这个功能块,也没有这几个宏。

以下是引用Aicrystal_1314在2021-11-10 14:16:45的发言 >10楼:我主要不明白这三个...

引用10楼详细内容:

我主要不明白这三个参数的功能是由那个参数设置的p3330 p3331 p3332 这三个参数在手册里定义都一样 但是在两线制或三线制 或者同是三线制 不同的宏里 他们的功能都不一样 同一个参数在不同的宏里不同线制里功能不一样 例如p3330在宏17里是正转启动 在宏19里却是使能 但是两个宏里并没有列出是哪个参数的改变让p3330的功能实现了改变 就导致我很懵 为啥参数一样 功能却不一样

以下是引用Aicrystal_1314在2021-11-10 14:02:18的发言 >9楼:我懂你的意思了 需...

引用9楼详细内容:

我懂你的意思了 需要不同的功能就选不同的宏!我想知道的是 我看宏手册上 宏17和宏18列出的自动设置参数都一样 为啥这两个宏的功能会不一样?参数设置相同不应该功能也相同吗?还是说宏手册并没有列出这个宏自动设置的所有参数 这两个宏没有列出的参数有的不同所以导致功能不一样

以下是引用yming在2021-11-10 09:16:41的发言 >4楼:有区别的。如果你...

引用4楼详细内容:

有区别的。

如果你需要:一个数字量作为启动/停止信号;另一个作为反转信号

选宏=12 (单有反转信号电机不会启动。


如果你需要:一个数字量作为正转启动/停止信号;另一个作为反转启动/停止信号;为防止错误转向启动,要求仅在电机停止OFF时,该信号有效

选宏=17(两个正反启动信号仅有一个在停止时起作用。两个同时ON,哪个信号先到达为准。)


如果你需要:一个数字量作为正转启动/停止信号;另一个作为反转启动/停止信号;要求正转/反转信号始终有效

选宏=18(任何时刻,两个信号仅使能一个都能启动电机,两个信号都使能,相互抵消,电机OFF。


这种差别,在多段速,二进制16段速这种设置中也存在。就是常说的 “带ON和不带ON”区别。


以下是引用Aicrystal_1314在2021-11-02 21:55:10的发言 >2楼:p3330  p3331  ...

引用2楼详细内容:

p3330  p3331  p3332 手册上说“2线制/3线制指令1、2、3” 那这三个参数那个是正转,那个是反转,那个是使能呢?2线制,3线制怎么区分啊?我看宏里面2线制,3线制都是这三个参数啊 没什么区别啊

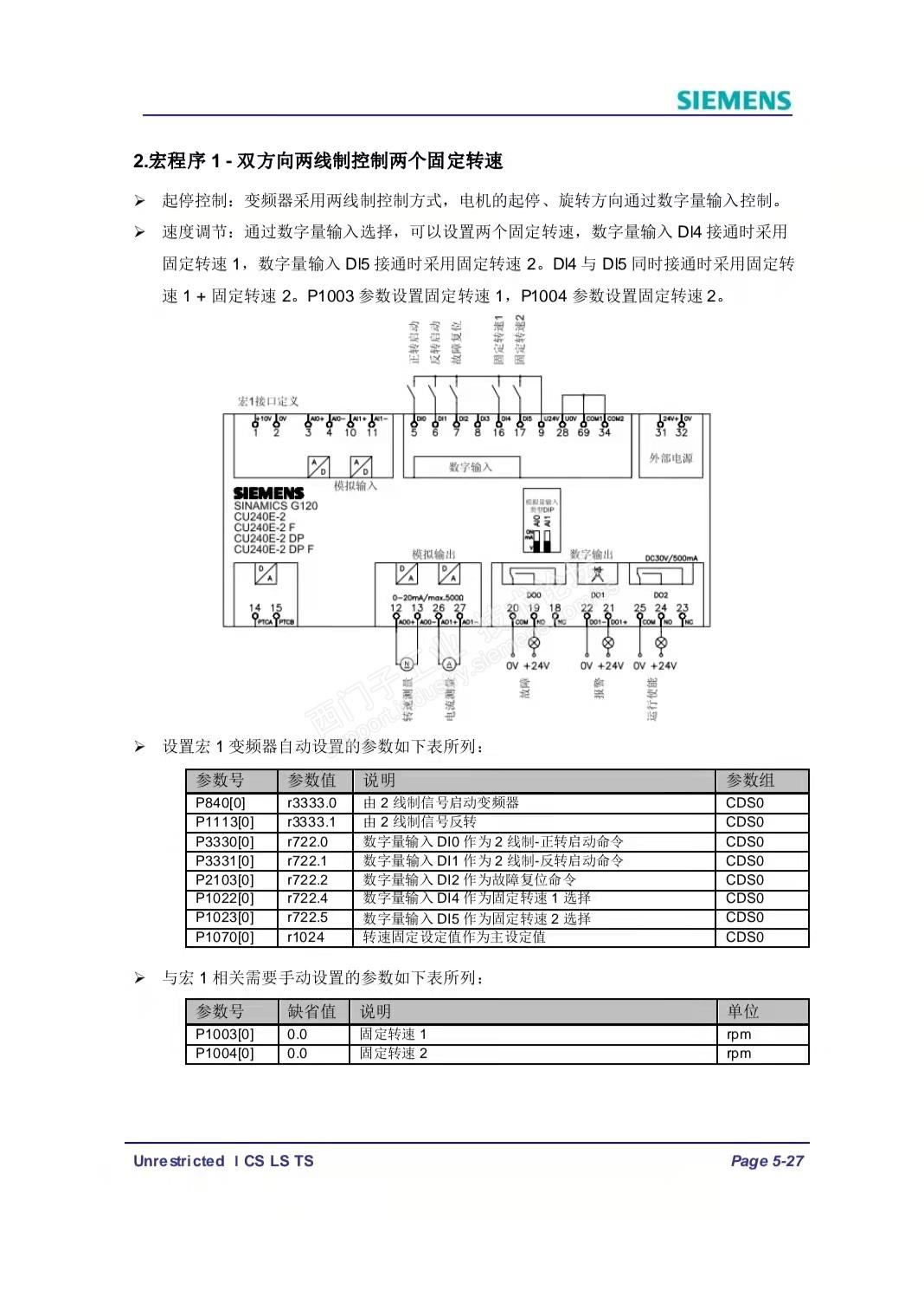
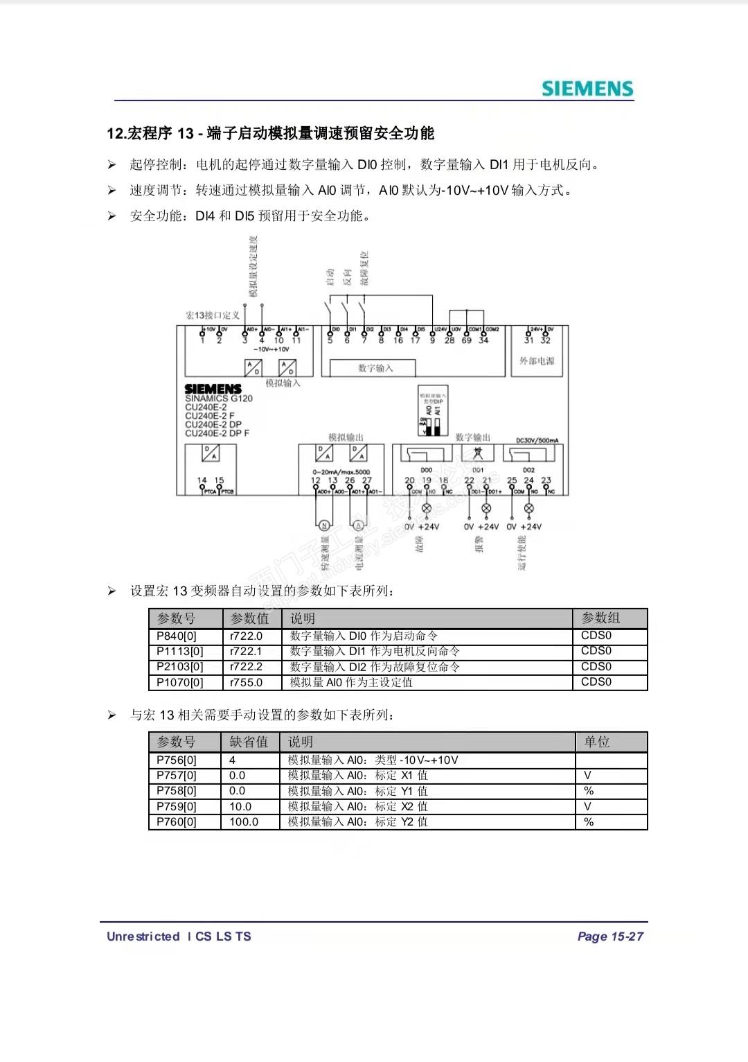
太谢谢了。原来P3334在宏参数里没有列出来。刚开始学不懂的太多了 多谢解答。还有一个问题向你请教一下 例如我把参数设置成p840=722.0 p1113=722.1 这可以实现正反转。设置成p840=3333.0  p1113=3333.1  p3330=722.0 p3331=722.1 这也可以正反转  这两种设置方法有区别吗  有什么不同  再次感谢!!!例如宏1和宏13 除了转速给定方式不同 都是两个方向正反转 但是参数设置却截然不同,




评论
编辑推荐: 关闭

请填写推广理由:

本版热门话题

SINAMICS

共有8203条技术帖

相关推荐

热门标签

相关帖子推荐

guzhang

恭喜,你发布的帖子

评为精华帖!

快扫描右侧二维码晒一晒吧!

再发帖或跟帖交流2条,就能晋升VIP啦!开启更多专属权限!

  • 分享

  • 只看
    楼主

top
X 图片
您收到0封站内信:
×
×
信息提示
很抱歉!您所访问的页面不存在,或网址发生了变化,请稍后再试。