回复:AM06模拟模块输出负载阻抗问题

已锁定

手机用户20211109326104

  • 帖子

    40
  • 精华

    0
  • 被关注

    0

论坛等级:游民

注册时间:2021-11-09

普通 普通 如何晋级?

发布于 2021-11-26 11:11:59

8楼

展开查看
以下是引用YUKJ在2021-11-25 09:37:14的发言 >7楼

 

如果想负荷得到与模块输出相同的电压,请使用射极跟随器

 



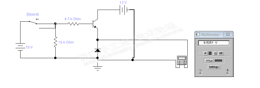
你好,你这个电路图跟5楼的好像有点不太一样。

我用EWB模拟了一下电路,输入偏差是0.5v,比如输入电压值A,输出电压值=A-0.5v,电路模拟如下:



评论
编辑推荐: 关闭

请填写推广理由:

本版热门话题

SIMATIC S7-200 SMART

共有9389条技术帖

相关推荐

热门标签

相关帖子推荐

guzhang

恭喜,你发布的帖子

评为精华帖!

快扫描右侧二维码晒一晒吧!

再发帖或跟帖交流2条,就能晋升VIP啦!开启更多专属权限!

  • 分享

  • 只看
    楼主

top
X 图片
您收到0封站内信:
×
×
信息提示
很抱歉!您所访问的页面不存在,或网址发生了变化,请稍后再试。