设备是进口6轴磨床,可以说是专机了,是磨床中的劳斯莱斯。客户在使用过程中偶尔出现702500:B1轴制动器1达到磨损极限或制动器过热;和700753:B1轴制动器1出错(故障检测,断线),经过检查也从国外发了新的Mayr抱闸线圈过来更换,更换完后正常,但是使用一个月后有出现类似故障。这时故障就难以再深入判断了。
但是客户的问题需要解决,再一次来现场。做分析。

B轴抱闸气隙要求是0.25
三个螺钉上进力矩是22Nm,但是实际上紧要求是20Nm

刹车盘里面的两个铜螺钉上紧力矩是3.5Nm
Mayr服务工程师给的建议是::
两个黄螺丝需要用到压力机。先把衔铁压到底,压住,然后再用3.5牛米的锁紧力俱来锁紧。最后松开就可以啦。针对60型号的制动器。

60这款刹车片厚度是11.15,
但是实际测量从床子上拆下是11.49--50,发回公司的是11.27--29
因为在机床里面的刹车片,长时间工作在潮湿的环境,会导致变厚

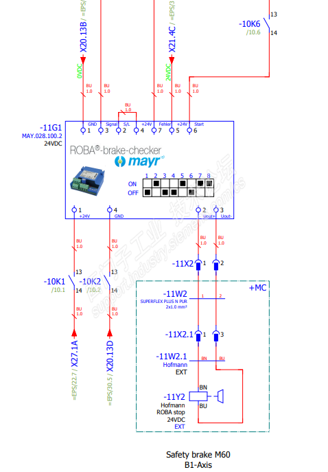
ROBA?-brake-checker 保持电压是DV12V,即测量2,3线圈瞬间电压在DC24V,然后电压保持在DC12V


经过一系列的检查和测试,最后查出原因是抱闸控制器(蓝色)坏了,更换一个新的就好了,但是控制器里面的拨码开关要设置好,新的模块到后,客户装上还是有问题,就是因为拨码开关没有设置好,设置好后,抱闸问题就彻底解决了。再也不出现702500:B1轴制动器1达到磨损极限或制动器过热;和700753:B1轴制动器1出错(故障检测,断线)。客户也能让这个摇钱树继续挣钱了。