回复:说说传动控制的块功能

已锁定

kdrjl

版主 西门子1847工业学习平台

  • 帖子

    36660
  • 精华

    451
  • 被关注

    1446

论坛等级:至圣

注册时间:2003-06-06

钻石 钻石 如何晋级?

发布于 2022-01-13 16:45:46

7楼

展开查看
以下是引用黑猫警长W在2022-01-13 13:45:48的发言 >

这应该就是理论联系到实际的感觉

比较一下,集成运放的块和西家传动的自由功能块所对应的应用:


微分功能


这是用集成运放搭的


这是西家传动的自由功能块

它们的作用是一致的。一个用硬件搭,一个用参数设置写入。


跟随的微分功能


集成电路搭的


自由功能块的

们的作用一致。


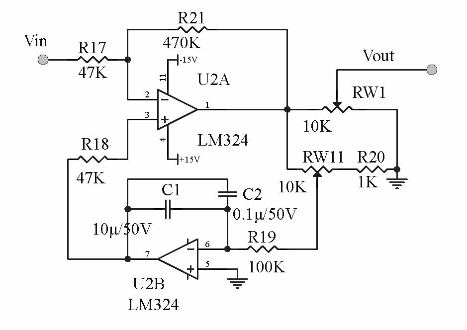
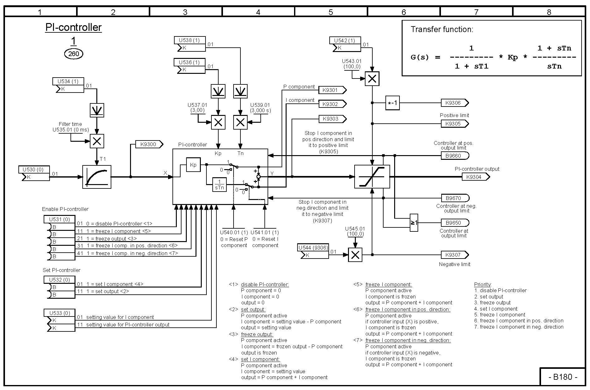
PI调节器


集成电路搭的


自由功能块的

它们的作用一致。


斜坡函数发生器


集成电路搭的


自由功能块的

其作用一致。


由此,我们只要有了传动控制系统的原理基础,现实中,随着元器件的更新和发展,自动化技术的发展,还是能很快采用新的手段,熟练掌握专业上的应用。专业基础是我们从事专业工作的门槛。

我是你的朋友
评论
编辑推荐: 关闭

请填写推广理由:

本版热门话题

电机

共有3147条技术帖

相关推荐

热门标签

相关帖子推荐

guzhang

恭喜,你发布的帖子

评为精华帖!

快扫描右侧二维码晒一晒吧!

再发帖或跟帖交流2条,就能晋升VIP啦!开启更多专属权限!

  • 分享

  • 只看
    楼主

top
您收到0封站内信:
×
×
信息提示
很抱歉!您所访问的页面不存在,或网址发生了变化,请稍后再试。