请教S120转矩限幅的设置问题

已锁定

我心依旧0705

西门子1847工业学习平台

  • 帖子

    372
  • 精华

    15
  • 被关注

    16

论坛等级:侠圣

注册时间:2004-08-24

白金 白金 如何晋级?

请教S120转矩限幅的设置问题

4504

11

2022-02-15 17:39:58

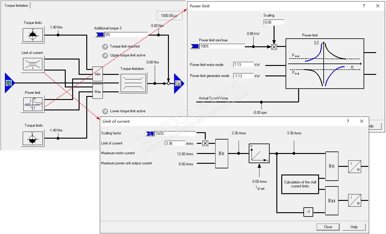
S120 转矩限幅是在Torque limitsLimit of current  和 Power limit  中取最小值,但是后两个限值转换的转矩值并不显示,而且一般看到的情况中后两个限值似乎都比第一个限值大,这是什么原因?窗口中的默认值从何而来?我也从来没有设置过它们。所以我的问题就是:这里的电流限值和功率限值分别应如何设置?特别是对于弱磁调速的应用中,我感觉就特别重要,如果设置不合适,那是不是就有可能出现弱磁升不到预定速度的情况?请各位大侠给讲解一下,谢谢了。



请教S120转矩限幅的设置问题 已锁定
编辑推荐: 关闭

请填写推广理由:

本版热门话题

SINAMICS

共有8216条技术帖

相关推荐

热门标签

相关帖子推荐

guzhang

恭喜,你发布的帖子

评为精华帖!

快扫描右侧二维码晒一晒吧!

再发帖或跟帖交流2条,就能晋升VIP啦!开启更多专属权限!

  • 分享

  • 只看
    楼主

top
X 图片
您收到0封站内信:
×
×
信息提示
很抱歉!您所访问的页面不存在,或网址发生了变化,请稍后再试。