高线精轧机, GL150, 由于加热炉扩容改造,期间电机进行保养。 保养完毕,更换减速机,锥箱后,要进行试车。 但是启动以后会报F30094接地故障。
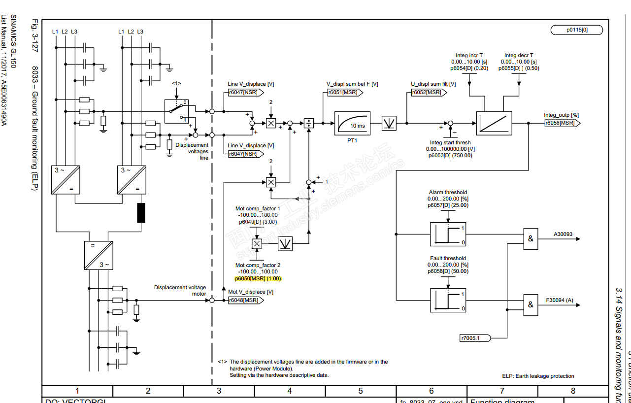
如图, GL150接地故障检测原理

简单来说, 就是测进行绕组和电机绕组的星点偏移电压。 该偏移电压取绝对值和偏移阈值比较, 然后经过积分器输出。达到故障阈值发出故障信号。
由于精轧机工作的地方比较潮湿, 所以长时间停车以后报接地是正常现象。 一般处理措施就是开励磁给电机升温, 用加热器给电抗器升温。
故障发生后,升温措施采取后,现象依旧。 测量绝缘, 电机和电抗器都是1000M以上。 这就怪了。 我之前遇到过接地故障,无法排除,最后发现是电机绕组的引线在经过风道的时候没有固定紧,导致磨损破损, 启动时震动加大,加上风吹,会碰到外壳导致。 所以首先怀疑是电机保养时可能损伤了绕组。
连上装置,查看上图r6056波形。

红色是速度, 零位两个对应2个绕组。 从图上看, 确实是偏移电压有点高, 导致积分器往上走,达到阈值报出故障。
咨询西门子工程师, 采用单绕组运行,也是报出同意故障。 西门子工程师建议充分升温 。 于是开着加热器和励磁, 升温一整夜。
今天早晨,继续试车。 依然报故障。 开始寻找外部接地原因。 查电缆。 我由于有别的事情,没在现场。
下午到现场跟踪进度, 现场人员说已经测试没问题了。 我给负责人打电话, 说是电机电缆在电机侧没有接地。 原来一直没接地, 这次接上以后试了试, 就没问题了。
想起来,昨天试车的时候发现电机侧的接地线对地打火, 看来确实跟这个有关系。
静下心来分析。
GL150是靠测量星点不平衡带电压来判断接地故障的。 那么, 电机侧单芯电缆不接地, 为什么会影响不平衡电压呢。
咨询了以为传动专家, 给了我一些提示, 说是不接地, 或造成磁场不平衡。豁然开朗。
我尝试来解释一下:
由于电机电缆和电机绕组, 通过自己的对地耦合电容跟"地”发生关系。 正常接地情况下, 电缆在电机侧单端接地, 每个绕组,或每根线对地的电容在一个量级上,这样大体上是平衡的。 由于结构原因造成的稍微不平衡电压,就是图1的P6053设置的不平衡电压阈值。 当电缆不接地时, 由于电缆敷设无法相对环境严格对称, 会造成阻抗不一样, 会影响到电机输出电压的平衡关系,大于阈值。 阈值实际值是612.37, 此时偏移电压达到800多。 造成积分器输出累计达到报警值。
总结:
一方面, 再次认识到施工规范的重要性。 今天翻看图纸, 明确要求电机电缆在电机侧单端接地。 负载的电磁环境会造成种种影响,遵守规范非常之重要。
遇到问题切记先入为主。 一定要冷静,客观的分析。逐步发现真相。昨天其实指导电缆没接地,但是想当然认为接地跟这个没关系。