回复:200smart的UDP通信实践

已锁定

看雪001

  • 帖子

    2442
  • 精华

    88
  • 被关注

    236

论坛等级:至圣

注册时间:2012-04-25

钻石 钻石 如何晋级?

发布于 2022-04-12 11:10:16

3楼

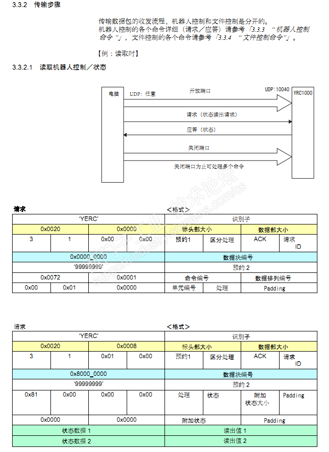
让我们来看看安川机器人YRC1000控制器的简易报文格式:

报文头部数据的详细解释:


报文传输过程:


在建立200smart和安川机器人控制器之间的UDP通信之前,事先理解通信目标的报文数据结构、数据格式是必要的,而且,你所意会到的数据结构和数据格式是不是它所“表述”的本意,也需要实践去验证。

现在,以读取机器人当前位置数据为例:



大道至简,知易行难
评论
编辑推荐: 关闭

请填写推广理由:

本版热门话题

SIMATIC S7-200 SMART

共有9143条技术帖

相关推荐

热门标签

相关帖子推荐

guzhang

恭喜,你发布的帖子

评为精华帖!

快扫描右侧二维码晒一晒吧!

再发帖或跟帖交流2条,就能晋升VIP啦!开启更多专属权限!

  • 分享

  • 只看
    楼主

top
X 图片
您收到0封站内信:
×
×
信息提示
很抱歉!您所访问的页面不存在,或网址发生了变化,请稍后再试。