一起西门子840D sl系统因传感器故障的处理过程
今天下午,接到工厂电话说有一台设备出现故障报警,描述说:“手动运行各轴可以,无法自动运行”。我接到电话,通过在电话中简单沟通大概了解了是该设备的一个安全门上的一个位置检测信号,是一个第三方PILZ安全传感器(PSEN cs3.1n),因引线受外力拉扯后,造成信号时有时断的现象,该传感器我没有备件。
到现场,清理传感器周边污物后,尝试着对该传感器进行外部受力测试。确实该传感器上的指示灯马上有了反应,正常的黄、绿色指示灯马上消失,放开后有一个初始化过程后(红色指示灯亮)马上有显示正常了,说明工厂操作员电话中描述是准确的,确实是该传感器存在开路接触性问题了。感觉能够有修复的可能,我旋下传感器航插找来一把美工刀,小心的把它从传感器根部慢慢切开,试着准备重新对断点进行焊接。不曾想,这一刀切下去麻烦也随之来了。想想简单,开路性故障可以切开外部导线电缆,重新焊接后做好绝缘就可以使用了。当切开传感器外部绝缘层,小心用小起子拨了一下几根带颜色的导线,这一拨居然掉下了3根颜色导线,坏事情了,我又不清楚具体的连接,这样的内部接线资料就是PILZ公司也是不可能提供的。于是,我一边联系公司采购同事马上走采购快速通道,另一边联系公司外部其他电气供应商,求助是否可以提供最快速的供货渠道。不一会,电话一一都回过来了,答复基本是没有现货需要几天,不能够及时供货,这个供货周期结果我无法接受,只能想一个比较折中的部分临时处理一下了。
处理过程:
1) 首先自我评估(我对类似的设备有10多年的维护经历,设备的每一处细节,无论是电气还是液压、机械都比较了解)该传感器安装在设备的一个预留门上,是为了以后工艺改造用,增加产能添加产品进料的机器人搬运入口,目前没有此项改造,所以,该门平时正常工作是关闭不需要打开的,临时屏蔽方式可行条件之一。
2) 查找电气原理图,该安全检测传感器是PILZ传感器输出2路信号,分别输入到西门子的安全模块,传感器输出属于开关信号类型,主要是对该门的位置进行安全检测,没有关联到其它相对复杂的控制逻辑,临时屏蔽方式可行条件之二。
3) 结合上述2点,可以尝试暂时屏蔽该信号。第一点,设备及人身安全评估没有问题,可以确认;第二点,该传感器属于开关信号类型输出,给临时屏蔽的可能性提供的便利。从传感器工作原理大致分析,没有过于复杂的工作逻辑,PILZ安全继电器之前没有少用,输入、输出之间的安全逻辑非常严谨,稍有不慎将前功尽弃。
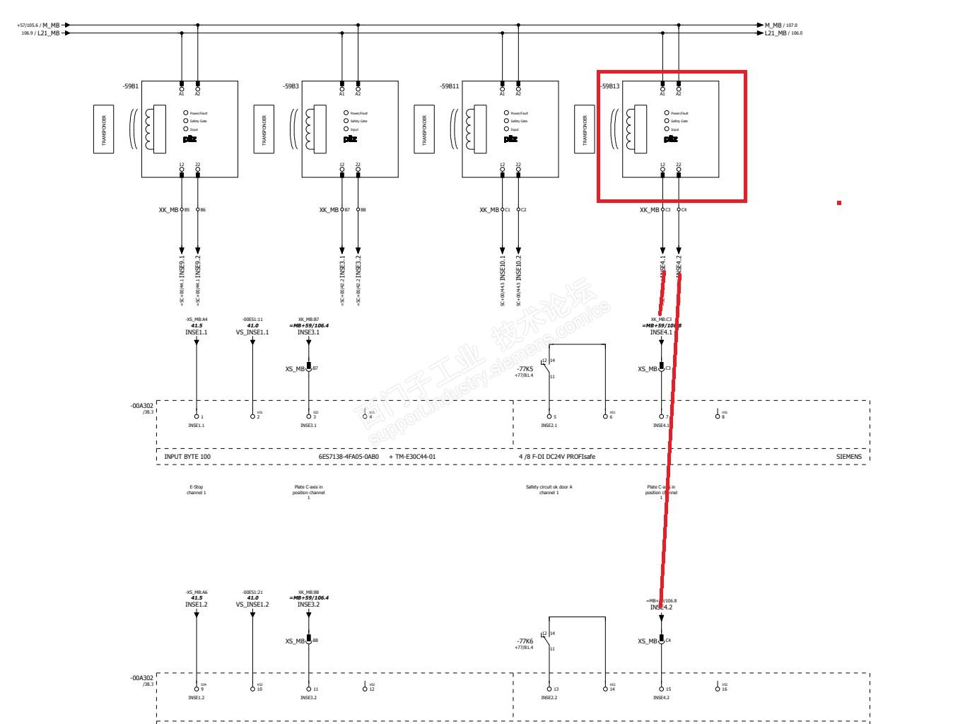
4) 查看电气原理图,PILZ传感器连接:

5) 840D sl系统集成有西门子安全模块(6ES7 138-4FA05-0AB0)在系统的组态信息:

NCU720.3系统已经可以集成西门子的安全模块功能了,cpu从原来早前的317T升级到317F机型,上图没有安装相应是安全文件,F型模块有报警,但是,大概能够看到硬件组态。
西门子安全集成的书,之前我有过推荐,具体下载链接:
https://www.ad.siemens.com.cn/club/bbs/post_one_floor.aspx?b_id=20&a_id=1578554
6) 继续查寻设备实际连接,图示:

根据传感器输出2路输出分别连接到编号-00A302模块的7#、15#端子(红色圈部分),由于模块输入端子需要构成闭合回路,在合适的电源位置找到本回路的电源正L+,分别连接上。启动系统、启动液压站测试,安全模块相应输入点绿色指示灯亮起,说明这2个输入端子连接正确、有效,临时屏蔽模块没有红色指示灯亮不再报警,运行自动模式下的用户程序,也是正常的,此临时屏蔽方式生效。此法,在确认安全前提下,不失为一种临时处理方法,有推荐价值,故、整理了这个过程。
小结:
本次处理过程有一定的借鉴作用,尤其是设备备件没有到位情况下。
1) 首先,必须充分评估屏蔽信号对设备及人员的安全性问题,在得到确认后才可以继续,不然只能放弃,安全是首位的。
2) 其次,在没有深入到840D sl系统安全集成功能的理论、技能前提下,结合电气原理图,从外部用导线替换故障的传感器(开关类型信号),也是一种现场临时解决的办法。待备件到位,再恢复。处理过程相对简单,并不需要涉及理解到相对复杂的控制逻辑。
3) 再次,通过仔细查找、核实、在实际安装位置的安全模块上,确认回路查找到安全模块的回路电源正L+,基本确认安全回路的架构,不使临时屏蔽过程走不必要的弯路。从初步的理论,到最终的实际连接都需要小心谨慎,电气连接由不得半点马虎。
4) 临时处理后,按正常顺序先手动测试,完成后再进入自动状态的运行测试,这点也必须按步骤进行。确认设备与屏蔽后没有后遗问题后,才算暂时结束。
5) 抓紧采购设备备件,争取尽快补上,毕竟设备安全和人身安全是设备制造商,在设计、制造、安装、调试过程中的经典经验总结。作为设备维保员的自我评估,不一定能够全面客观,很容易缺乏必要的全面性。