关于使用PNIO.dll控制S120的问题

已锁定

手机用户20220617163557

  • 帖子

    8
  • 精华

    1
  • 被关注

    0

论坛等级:游民

注册时间:2022-06-17

普通 普通 如何晋级?

关于使用PNIO.dll控制S120的问题

607

4

2022-09-21 11:48:28

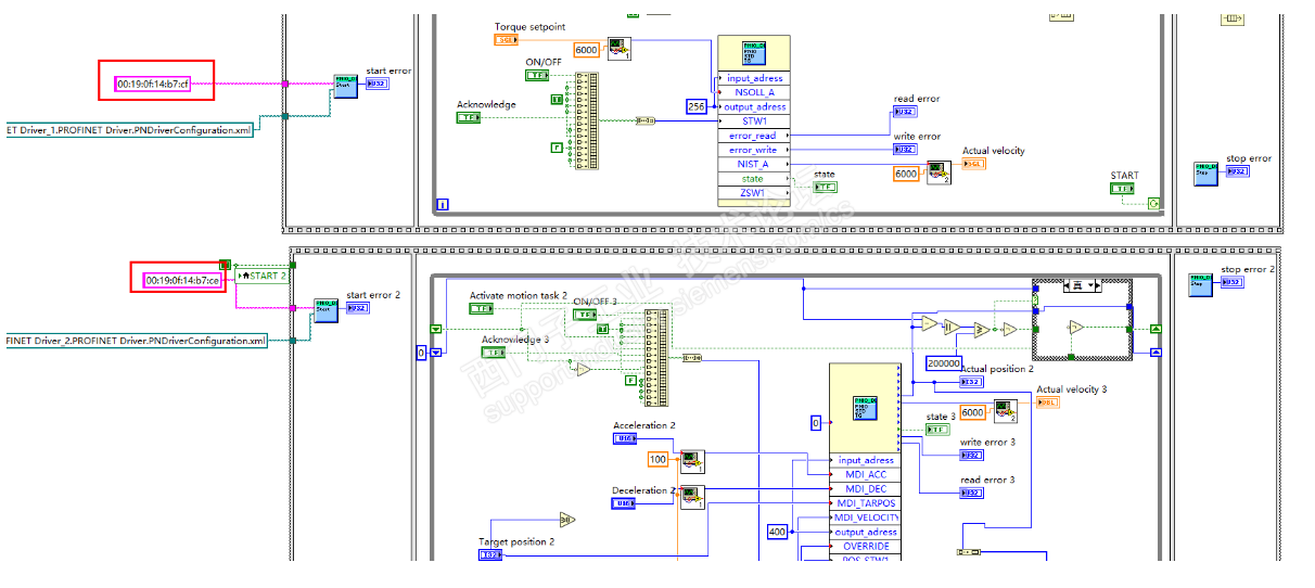
大家好!我最近在使用labview调用PNIO.dll控制S120的时候遇到以下一个问题(参考资料为:https://support.industry.siemens.com/cs/ww/en/view/99684399)

控制架构如下:1台电脑控制两个S120模块,当我单独控制其中一个模块,运行是没问题的。

当同时控制两个模块时,则有问题,我感觉是这个dll只能被调用1次。


以上问题,请各位高手赐教!


关于使用PNIO.dll控制S120的问题 已锁定
编辑推荐: 关闭

请填写推广理由:

本版热门话题

SINAMICS

共有8203条技术帖

相关推荐

热门标签

相关帖子推荐

guzhang

恭喜,你发布的帖子

评为精华帖!

快扫描右侧二维码晒一晒吧!

再发帖或跟帖交流2条,就能晋升VIP啦!开启更多专属权限!

  • 分享

  • 只看
    楼主

top
X 图片
您收到0封站内信:
×
×
信息提示
很抱歉!您所访问的页面不存在,或网址发生了变化,请稍后再试。