回复:求购一种脉冲式旋钮电位器

已锁定

yming

西门子1847工业学习平台

  • 帖子

    23516
  • 精华

    901
  • 被关注

    1279

论坛等级:至圣

注册时间:2004-03-06

钻石 钻石 如何晋级?

发布于 2022-09-22 21:13:26

3楼

展开查看
以下是引用MrQw在2022-09-22 19:49:56的发言 >2楼

按钮的话就是我文中提高的自复位旋钮吧,我们也做了变速控制,前5秒做定时每200ms加0.1,5秒以后每200ms加0.5.

类似现在的CU250的BOP.但是实际应用也确实是不方便,我们用BOP的按钮设置参数的时候,经常会超过,然后又要返回,需要多次调整。

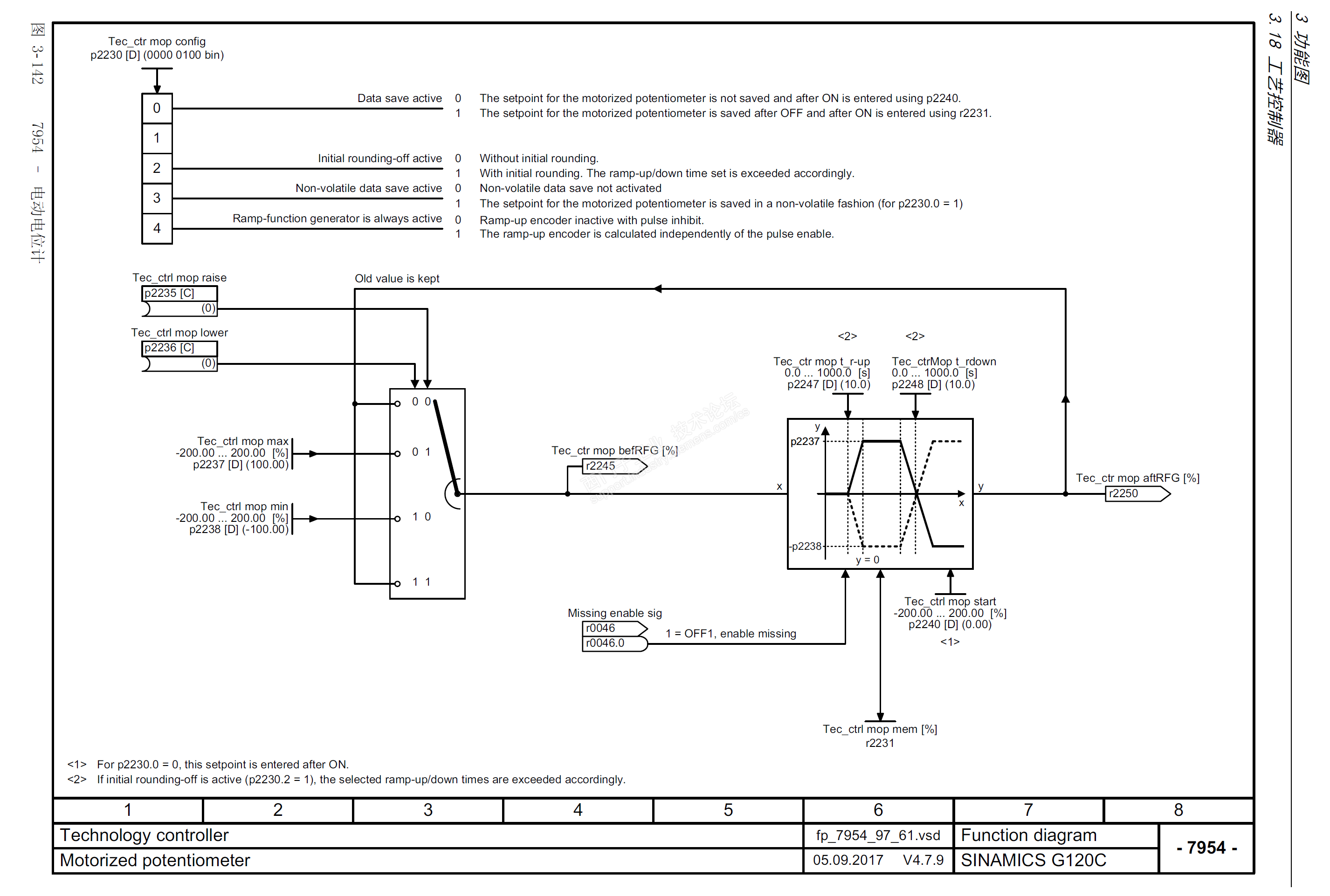
MOP应该就是原来西门子的V10中间那个旋钮吧,那个确实就是我想要的效果。

为什么编码器不行,是因为调速后的数值还需要受到其他的设备联动的信号影响,不是完全由调速按钮控制的。旋钮只是作为微调。

类似MOP这种电位器不知道哪里有的卖。网上看到都是一些PCB板上的音响电位器,不太符合自动化应用要求。

以下是引用yming在2022-09-18 22:05:47的发言 >1楼:老式的滚球鼠标都是...

引用1楼详细内容:

老式的滚球鼠标都是AB正交光电编码的。

说实话,你这个用途也用不着吧。

按钮变速不行么?西门子哪个变频器都有。MOP (电动电位计)安全可靠。


工艺控制器中MOP和你想的不一样。你说的是BOP的输出。

MOP它是独立的一个功能。用 / 不用都在那里。

接到外部端子,MOP 它自己有斜坡可设定。它的输出就可以接到设定值,设定值的后面还有斜坡函数。

我甚至用变频器的两个DI端子,做MOP的升降信号;它的输出接变频器的模拟量输出(0-10V)给一台小辅机做给定。变频器工作,它也工作;还能调节。


学而时习之,不亦说乎?温故而知新,不亦乐乎?
评论
编辑推荐: 关闭

请填写推广理由:

本版热门话题

谈天说地

共有14245条技术帖

相关推荐

热门标签

相关帖子推荐

guzhang

恭喜,你发布的帖子

评为精华帖!

快扫描右侧二维码晒一晒吧!

再发帖或跟帖交流2条,就能晋升VIP啦!开启更多专属权限!

  • 分享

  • 只看
    楼主

top
X 图片
您收到0封站内信:
×
×
信息提示
很抱歉!您所访问的页面不存在,或网址发生了变化,请稍后再试。