回复:多个电机串轴惯量参数的设置

已锁定

yming

版主 西门子1847工业学习平台

  • 帖子

    23457
  • 精华

    897
  • 被关注

    1278

论坛等级:至圣

注册时间:2004-03-06

钻石 钻石 如何晋级?

发布于 2022-09-25 19:53:17

5楼

展开查看
以下是引用liul_sharp在2022-09-25 15:23:18的发言 >3楼


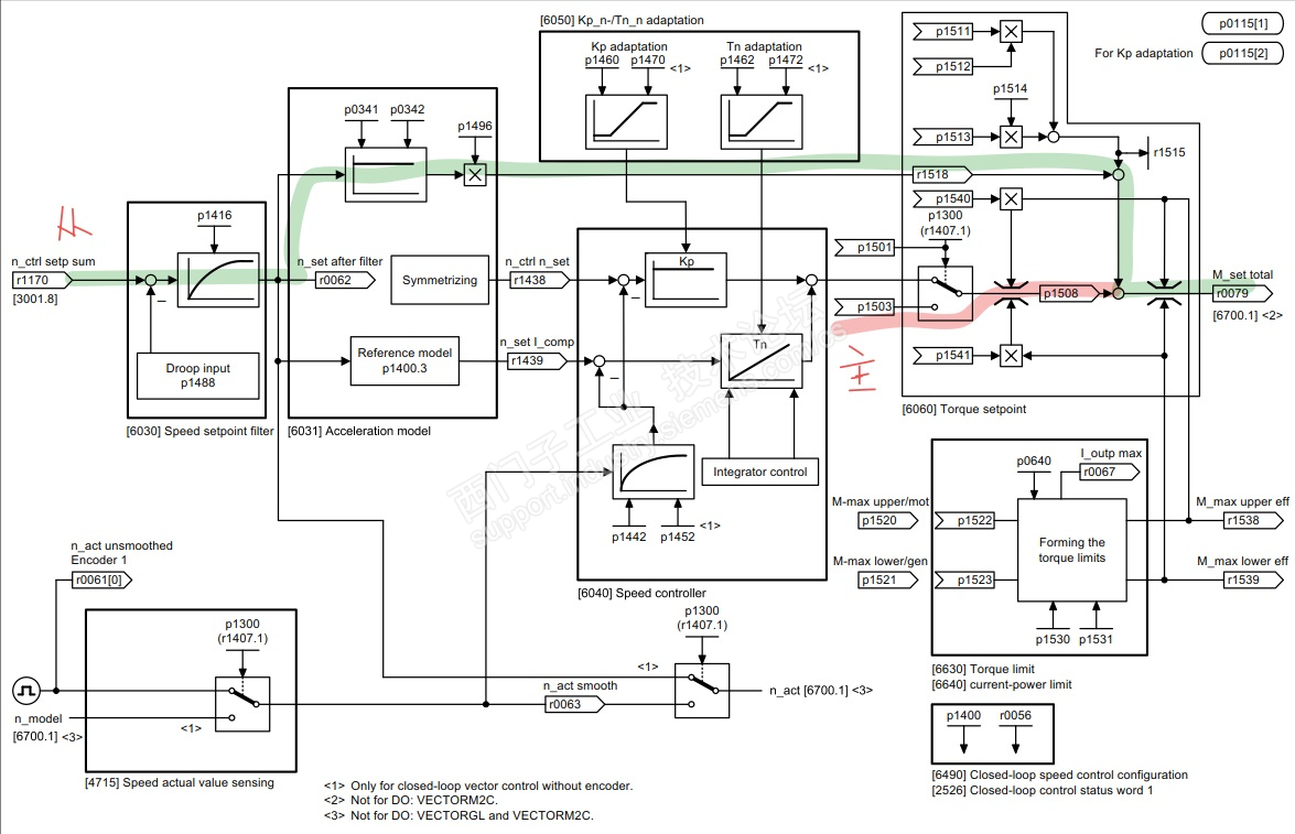
我也认同应该将共同的负载惯量一分为二给2个电机,所以p342 = (电机自身500惯量 + 负载的一半惯量1500)/ 电机自身惯量 = 4,而p341 = 500没有疑问。

另外,尽管从机转速控制器没有作用,但是其加速预控通道是一直有效的。这也说明,这种模式下,2个变频器应该同时接收转速给定信号。同理,【同时启停,同时给定】也是对自动化的必须要求。

当然从机受控于主机的除外,或者说所谓双机有同步接口的(光纤之类)。如,PLC仅对主机下指令,由主机给从机下指令的这种。

从1511、1513还可以接附加转矩给定呢。能连接电流环反馈、工艺信号。

反正都有系数可调。

例如克服启动静摩擦,那个340,341就不见得够了。

学而时习之,不亦说乎?温故而知新,不亦乐乎?
评论
编辑推荐: 关闭

请填写推广理由:

本版热门话题

SINAMICS

共有8202条技术帖

相关推荐

热门标签

相关帖子推荐

guzhang

恭喜,你发布的帖子

评为精华帖!

快扫描右侧二维码晒一晒吧!

再发帖或跟帖交流2条,就能晋升VIP啦!开启更多专属权限!

  • 分享

  • 只看
    楼主

top
X 图片
您收到0封站内信:
×
×
信息提示
很抱歉!您所访问的页面不存在,或网址发生了变化,请稍后再试。