win smart v2.5版本以后创建库文件,系统符号只能显示绝对地址

已锁定

lrser

  • 帖子

    40
  • 精华

    0
  • 被关注

    1

论坛等级:游侠

注册时间:2013-08-28

黄金 黄金 如何晋级?

win smart v2.5版本以后创建库文件,系统符号只能显示绝对地址

823

4

2022-11-04 10:17:01

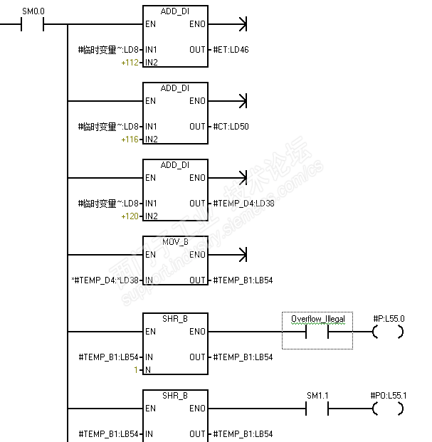
如图,用win smart v2.5版本以后创建的库文件,系统符号只能显示绝对地址,如果用符号就会报错。2.5及以前的版本没这个问题。然后这个技术支持热线不好怎么说它,没有人工了,直接给链接转自助平台了。



win smart v2.5版本以后创建库文件,系统符号只能显示绝对地址 已锁定
编辑推荐: 关闭

请填写推广理由:

本版热门话题

SIMATIC S7-200 SMART

共有9426条技术帖

相关推荐

热门标签

相关帖子推荐

guzhang

恭喜,你发布的帖子

评为精华帖!

快扫描右侧二维码晒一晒吧!

再发帖或跟帖交流2条,就能晋升VIP啦!开启更多专属权限!

  • 分享

  • 只看
    楼主

top
X 图片
您收到0封站内信:
×
×
信息提示
很抱歉!您所访问的页面不存在,或网址发生了变化,请稍后再试。