在处理报警的时候习惯性的用不同的报警上升沿去置位报警器输出点,用报警消音按钮复位输出点。使用了好几年都没有问题。
最近一个项目遇到报警产生置位不了输出点,
查了交叉引用确认地址无重叠,也只用了一个复位指令(触摸屏内也没有使用到这个位,字节等),把复位指令断开,还是置位不了。
更改地址也无用,强制该点是可以输出,实在搞不明白是什么问题?
另外大家处理很多报警时(几十个,甚至上百个以上时)都是怎么触发报警器的?
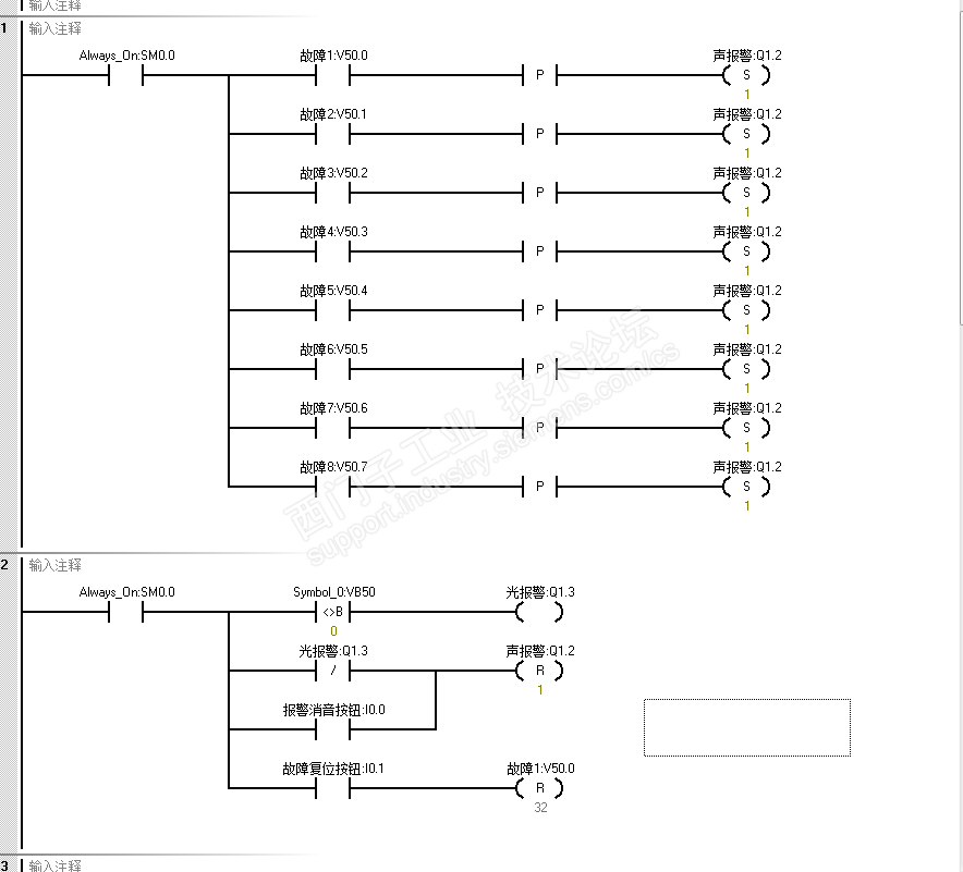
设计的思路如下:
有故障产生时,光报警输出灯亮,并声报警置位声响,按下消音按钮后声报警复位消音,有新故障产生时,声报警重新置位。故障不解除光报警灯不灭,故障解除,光报警灯自动灭,声报警自动消音