回复:探讨P1300=19独立电压控制模式

已锁定

yming

版主 西门子1847工业学习平台

  • 帖子

    23138
  • 精华

    881
  • 被关注

    1253

论坛等级:至圣

注册时间:2004-03-06

钻石 钻石 如何晋级?

发布于 2022-11-24 11:43:07

3楼

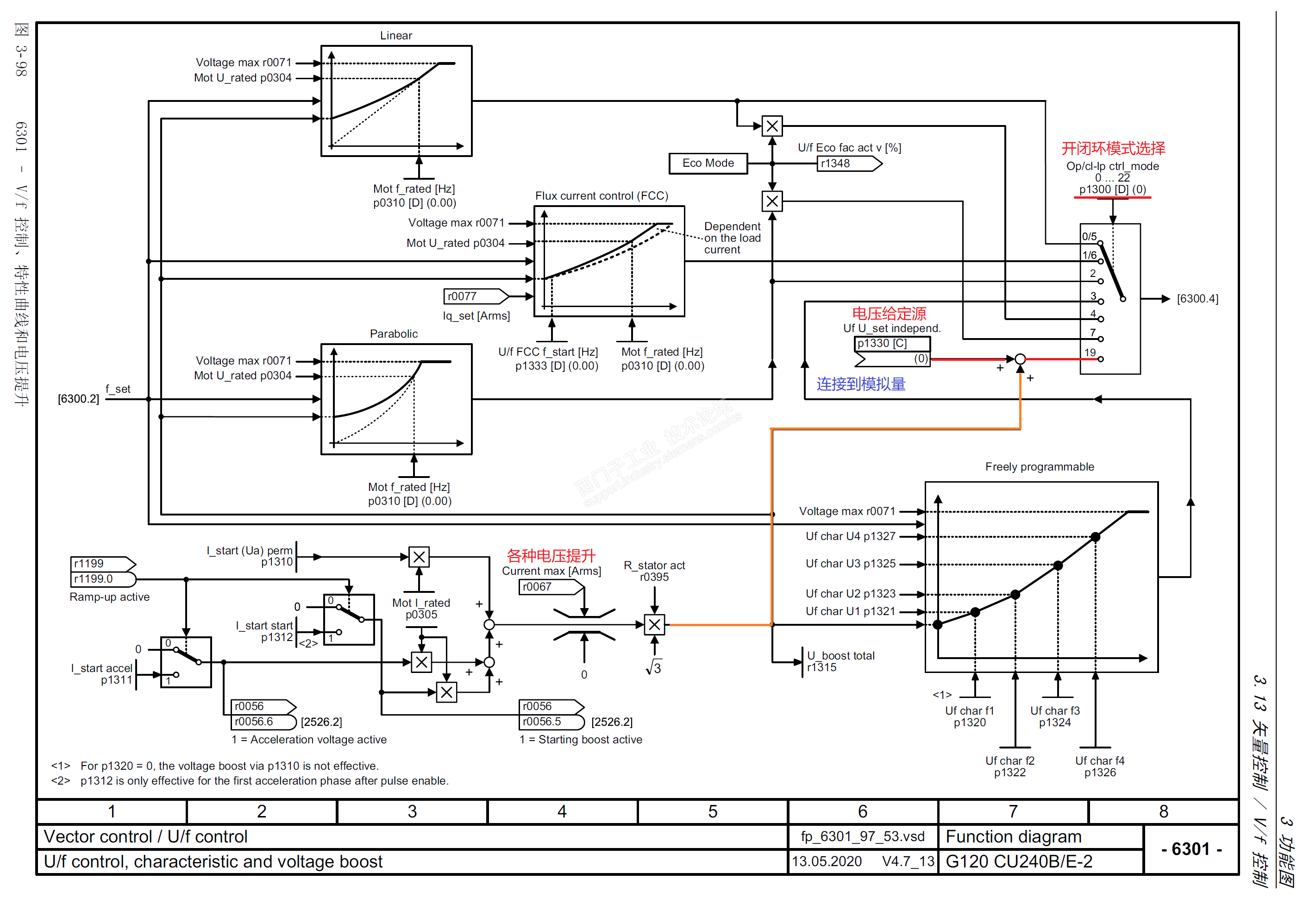
先来看看对独立电压控制模式中,有哪些项会影响我们给定的输出电压?

G120中:


很明显,除了给定电压之外,在ON之后,会有电压提升功能在作用(连续电压提升、启动电压提升、加速电压提升),这些提升是做(驱动变压器负载)直接控制测试不需要的。

所以,需要将这几个提升参数:P1310、P1311、P1312全部设为0


MM4中:



尽管这几个(电压提升)参数不参与控制,但还是设为0比较可靠。

(P1350这个软起动参数,保持关闭,打开后,它将成为慢速励磁。)

剔除了变频器驱动默认电机时,自动配置的几个功能后,做独立电压控制的配置。


学而时习之,不亦说乎?温故而知新,不亦乐乎?
评论
编辑推荐: 关闭

请填写推广理由:

本版热门话题

SINAMICS

共有8093条技术帖

相关推荐

热门标签

相关帖子推荐

guzhang

恭喜,你发布的帖子

评为精华帖!

快扫描右侧二维码晒一晒吧!

再发帖或跟帖交流2条,就能晋升VIP啦!开启更多专属权限!

  • 分享

  • 只看
    楼主

top
您收到0封站内信:
×
×
信息提示
很抱歉!您所访问的页面不存在,或网址发生了变化,请稍后再试。