1200复位域与计数器自复位之怪现象求助

已锁定

手机用户20220123474116

西门子1847工业学习平台

  • 帖子

    2
  • 精华

    0
  • 被关注

    0

论坛等级:新手

注册时间:2022-01-23

普通 普通 如何晋级?

1200复位域与计数器自复位之怪现象求助

778

3

2022-11-27 14:12:12

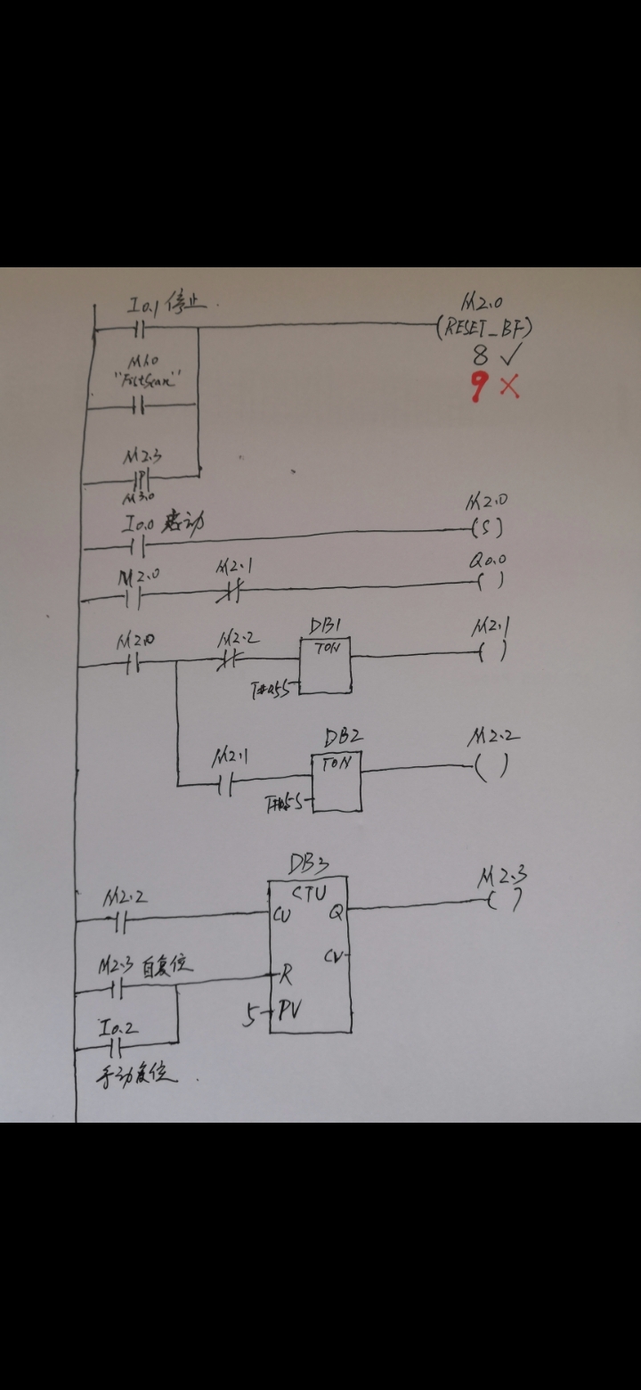
博途编写了一个1200小程序:按启动(I0.0),灯(Q0.0)点亮并连续闪烁5次然后熄灭,再次按启动可重复上述动作。手写程序见附图。
实际上机发现,复位中继M数量写8个及以下时,程序正常,如附图。复位中继M数量写9个及以上时计数器就不能复位了,如附图。
请大神赐教!





1200复位域与计数器自复位之怪现象求助 已锁定
编辑推荐: 关闭

请填写推广理由:

本版热门话题

SIMATIC S7-1200系列

共有15345条技术帖

相关推荐

热门标签

相关帖子推荐

guzhang

恭喜,你发布的帖子

评为精华帖!

快扫描右侧二维码晒一晒吧!

再发帖或跟帖交流2条,就能晋升VIP啦!开启更多专属权限!

  • 分享

  • 只看
    楼主

top
X 图片
您收到0封站内信:
×
×
信息提示
很抱歉!您所访问的页面不存在,或网址发生了变化,请稍后再试。