回复:s7200smart和变频器modbus tcp通讯

已锁定

--意孤行

  • 帖子

    519
  • 精华

    7
  • 被关注

    48

论坛等级:奇侠

注册时间:2016-12-16

普通 普通 如何晋级?

发布于 2022-11-29 09:48:31

4楼

展开查看
以下是引用小菜鸡003在2022-11-29 09:28:31的发言 >3楼




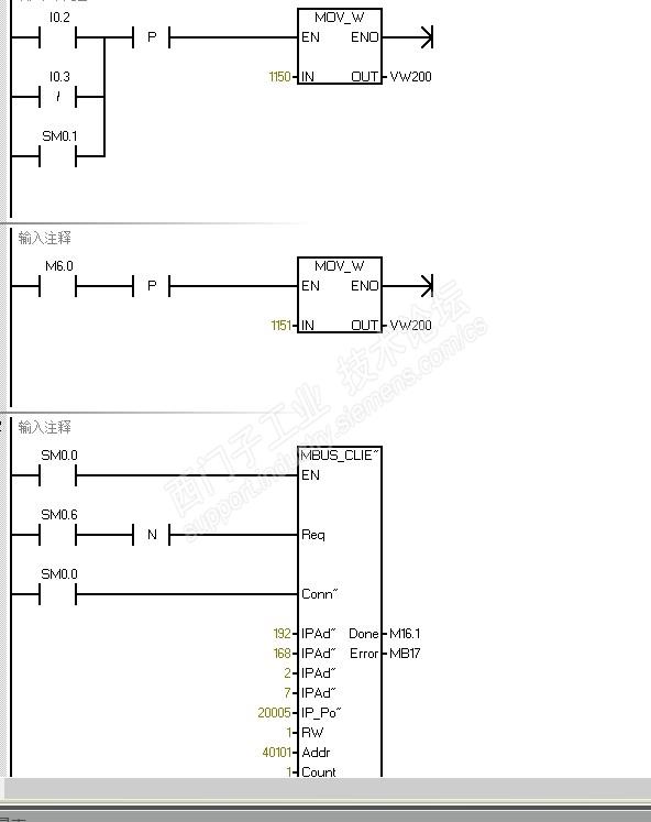
用的变频器是西门子v20,大佬能帮忙看一下吗?

现在V20有网口版本了吗

认真做事,低调做人
评论
编辑推荐: 关闭

请填写推广理由:

本版热门话题

SIMATIC S7-200 SMART

共有9389条技术帖

相关推荐

热门标签

相关帖子推荐

guzhang

恭喜,你发布的帖子

评为精华帖!

快扫描右侧二维码晒一晒吧!

再发帖或跟帖交流2条,就能晋升VIP啦!开启更多专属权限!

  • 分享

  • 只看
    楼主

top
X 图片
您收到0封站内信:
×
×
信息提示
很抱歉!您所访问的页面不存在,或网址发生了变化,请稍后再试。