昨天我在单位值班,前半夜是斗轮机的大臂变蝠油站油泵一直连续工作加油,机务人员告诉我们说昨天刚刚加满的油,两天就用没了,说是时间是设置有问题,让我们查查,难道plc的时间设置有问题,折腾了两个半小时,差不多晚上十一点,才回去,就地设备如下图:
控制设备为一个西门子logo设备,带着两个继电器,有一个工作的油泵,之前也没见过这种控制器,里边的设置大概为,油泵加油10分钟,然后停下,等6小时候,在工作继续加油10钟,里面的参数有B2,B3,是关于这两个时间的设置,还有一连串的数字,我也没看明白,后边的菜单说实话更是一头雾水。控制器的具体照片是
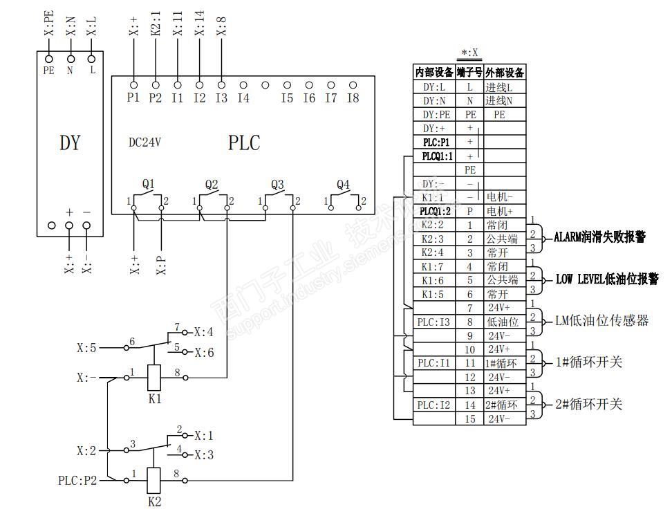
随后我们又找到了其相应的电器原理图

plc的输出Q1带着工作油泵的电机,当时油泵一直不停的转着,logo设备的屏幕是 显示的间歇时间一直在累计,按道理油泵应该是停止的,组后感觉是这个logo 设备出现问题了,最后干脆把logo的电源断开了,一量Q1结点还是闭合的,没办法了,只能是从新送电试一试,结果一送电,油泵又开始润滑10分钟,于是就等着,结果时间到了这次油泵停下了,这是啥原因,难道是logo设备坏了,还是里边的程序的出现了死循环,斗轮机已经快运行5年了,不可能是程序的问题,我正在思考中,就听我的同事说,就这样吧,时间挺晚了,回去休息吧,反正现在是正常了。碍于同事的面子我们回去了,但就这样稀里糊涂的把缺陷消除了,没有搞清楚原因,心里不舒服,请大家积极参与找原因,谢谢。