回复:三菱的 三菱的 三菱的

已锁定

莘莘学子

  • 帖子

    7049
  • 精华

    4
  • 被关注

    179

论坛等级:至圣

注册时间:2010-04-22

钻石 钻石 如何晋级?

发布于 2023-05-13 08:54:09

2楼

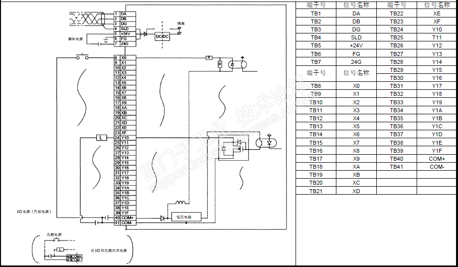
AJ65SBTB1-32DT1是三菱CC-LINK模块,你的图片接线没问题,是对的。公共端COM+接24V是为X点提供正电压,X点输入就需要0V启动,输出公共端COM-接0V,是为Y点提供0V电压,Y点输出就需要24V启动(漏型)。说白了,X点输入0V有效,Y点输出0V有效,都是低电平有效。

看下图:

弘扬中华传统美德,无私奉献为根本,助人为乐为根源。
评论
编辑推荐: 关闭

请填写推广理由:

本版热门话题

谈天说地

共有14307条技术帖

相关推荐

热门标签

相关帖子推荐

guzhang

恭喜,你发布的帖子

评为精华帖!

快扫描右侧二维码晒一晒吧!

再发帖或跟帖交流2条,就能晋升VIP啦!开启更多专属权限!

  • 分享

  • 只看
    楼主

top
X 图片
您收到0封站内信:
×
×
信息提示
很抱歉!您所访问的页面不存在,或网址发生了变化,请稍后再试。