0521 【万泉河】两种特性的线圈/线圈的两种不同的表现形式
我曾经写文章《0527 【万泉河】PLC程序中启保停的本质》阐述过启保停逻辑中的输出的线圈本质上不是普通的线圈, 而是相当于RS或者SR, 并在文章《0615 【万泉河】PLC程序中SR逻辑的本质》中做了论证,证明了SR和启保停逻辑可以完全互换。
读者之中分化很严重。有的人表示看懂了,接受了,并大有收获。 而有的人看懂的同时,却嘲笑我玩弄的知识太低级,并反而倒过来给我泼脏水,说我只懂启保停。甚至还不乏有人自己分明是看的懂的,但非要出来各种挑字眼搅混水,对同行初学者造成了极大的干扰, 这种行为端的令人不齿。
当然,我也有一定的责任,我的表达方式太突兀,就让许多人不适应。感情上受不了。 比如我说线圈不是线圈,他们就不能接受,感觉我好像在指鹿为马一样。 在梯形图中分明是形状完全一模一样的括号里框出来()的代表线圈, 你万老师非说这不是线圈,逗我玩呐?
前天又有同行加我微信咨询我启保停本质的问题,表示我前面写的文章看不懂。
好吧, 那我就换个说法,把这个问题重新阐述一下。 理解不够彻底的同学可以借机再学习理解一回。 而觉得我内容太浅不值得读的,完全可以不看。 而自觉水平比我高,要跟我比高低的, 你可以写文章发表自己更高明的理论说法,以帮助更多的初学者普及基础知识。 而没必要跑我帖子下面抬杠搅混水。 同行早晚会长大, 你泼的脏水耍过的赖皮都会被世人永远看到。但凡要点脸面,珍惜自己的历史名誉的,都不会这么愚蠢行径。
我总结对启保停的线圈和普通线圈的区别是,普通线圈的输出结果是确定的,是直接反映的输入信号之间的逻辑关系。
而启保停的输出和输入之间不是唯一确定的,与输入信号历史信号的状态以及时序严重相关。
线圈逻辑:

真值表

枚举了所有的结果可能性,即只要输入是确定可知的, 那么输出就是确定的。
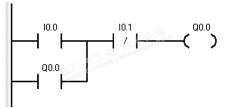
而如果换成启保停的逻辑:

那真值表我是画不出了。
因为在同样的I0.0和I0.1都为0的情况下,我们通过在线监控就可以得到两种不同的结果:

或许有人会嘲笑我,他更专业, 有更高级的绘制真值表的方法,可以追溯所有信号的前世今生。
别扯了,你咋敢确定输出就一定是由输入引起的呢?现在的上位机和HMI那么发达,都可以直接对Q点进行访问的, 只要愿意,都可以直接进行修改。
而实质上,上面的监控结果,我就是通过直接在监控表中修改Q0.0的值得到的。
所以,虽然貌似一样的线圈输出, 不同的用法,一个结果确定, 一个结果不确定, 你说这区别大不大?依我看,已经大到了完全不同的类别中。
程序中所有的指令的特性,首先区分其结果确定和不确定。
确定结果的有:
加减乘除、移位、转换等,只要不把输出给放到输入里面, 结果都是可以由输入确定得到唯一答案的。
而不确定结果的有:
S, R, 自增减等。
以及我讨论过多次的启保停的线圈。
现在大家知道这种分歧多可怕了吧?
我在前几年看到一个入门培训资料里面讲FC和FB的区别, 对方的老师就讲到了这一点: FC的输出结果对于同样的输入是确定的。 而FB的输出对同样输入是不确定的。 你或许可以用FC来实现FB的功能, 其静态变量的数据放到INOUT管脚中。 但仍然不违背上述的结论,因为INOUT就是输入。
这种观察角度很朴实, 也很一针见血。是我以前从来没有想到过的。