回复:6SE7系列变频器,转矩控制,想利用BICO功能设置一个报警

已锁定

kdrjl

版主 西门子1847工业学习平台

  • 帖子

    37108
  • 精华

    455
  • 被关注

    1478

论坛等级:至圣

注册时间:2003-06-06

钻石 钻石 如何晋级?

发布于 2023-06-10 10:57:32

4楼

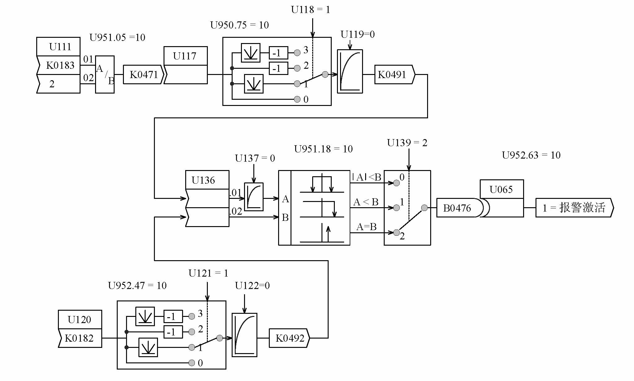
哈哈。闲着没事,吃饱了。我用图形化的自由功能块来描述精华帖的参数设置。为了彰显不一样,我把k0182和k0183的极性也考虑进去,做了一个绝对值运算。这样是不是更完美了?



我是你的朋友
评论
编辑推荐: 关闭

请填写推广理由:

本版热门话题

MasterDrives

共有5854条技术帖

相关推荐

热门标签

相关帖子推荐

guzhang

恭喜,你发布的帖子

评为精华帖!

快扫描右侧二维码晒一晒吧!

再发帖或跟帖交流2条,就能晋升VIP啦!开启更多专属权限!

  • 分享

  • 只看
    楼主

top
X 图片
您收到0封站内信:
×
×
信息提示
很抱歉!您所访问的页面不存在,或网址发生了变化,请稍后再试。