回复:关于单相励磁问题

已锁定

锋言锋语

西门子1847工业学习平台

  • 帖子

    3956
  • 精华

    54
  • 被关注

    131

论坛等级:至圣

注册时间:2011-07-31

钻石 钻石 如何晋级?

发布于 2023-07-04 16:21:48

4楼

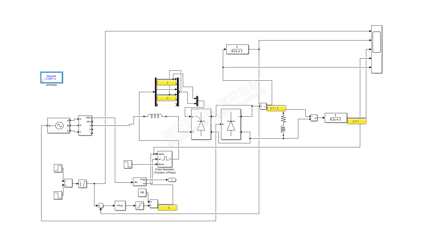
单相半控桥式整流励磁回路仿真:




依次是: 历次给定(26安)  励磁反馈(0.1s滤波)  励磁回路电压    触发角    励磁反馈(无滤波)

不忘初心
评论
编辑推荐: 关闭

请填写推广理由:

本版热门话题

直流调速器

共有3834条技术帖

相关推荐

热门标签

相关帖子推荐

guzhang

恭喜,你发布的帖子

评为精华帖!

快扫描右侧二维码晒一晒吧!

再发帖或跟帖交流2条,就能晋升VIP啦!开启更多专属权限!

  • 分享

  • 只看
    楼主

top
X 图片
您收到0封站内信:
×
×
信息提示
很抱歉!您所访问的页面不存在,或网址发生了变化,请稍后再试。