回复:一起8RA80直流驱动器报警炸机的处理过程

已锁定

WWCWWC

西门子1847工业学习平台

  • 帖子

    9168
  • 精华

    157
  • 被关注

    1478

论坛等级:至圣

注册时间:2008-07-26

钻石 钻石 如何晋级?

发布于 2023-09-01 11:03:33

5楼

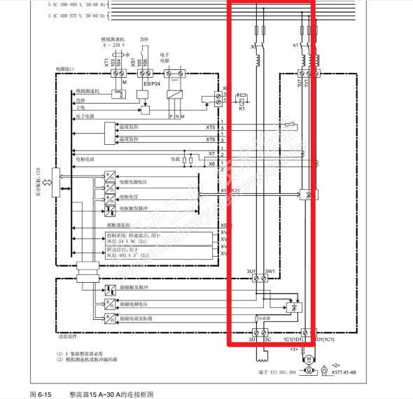
设备制造商把驱动器已经寄过来了,等驱动器调换后,可以看看励磁回路,做简单的判断。

到目前为止,我从资料上看,驱动器励磁主回路还是比较简单的。



评论
编辑推荐: 关闭

请填写推广理由:

本版热门话题

直流调速器

共有3834条技术帖

相关推荐

热门标签

相关帖子推荐

guzhang

恭喜,你发布的帖子

评为精华帖!

快扫描右侧二维码晒一晒吧!

再发帖或跟帖交流2条,就能晋升VIP啦!开启更多专属权限!

  • 分享

  • 只看
    楼主

top
X 图片
您收到0封站内信:
×
×
信息提示
很抱歉!您所访问的页面不存在,或网址发生了变化,请稍后再试。