回复:G120 变频器 模拟量、数字量速度 切换。

已锁定

kdrjl

版主 西门子1847工业学习平台

  • 帖子

    36672
  • 精华

    451
  • 被关注

    1447

论坛等级:至圣

注册时间:2003-06-06

钻石 钻石 如何晋级?

发布于 2023-09-13 16:27:30

2楼

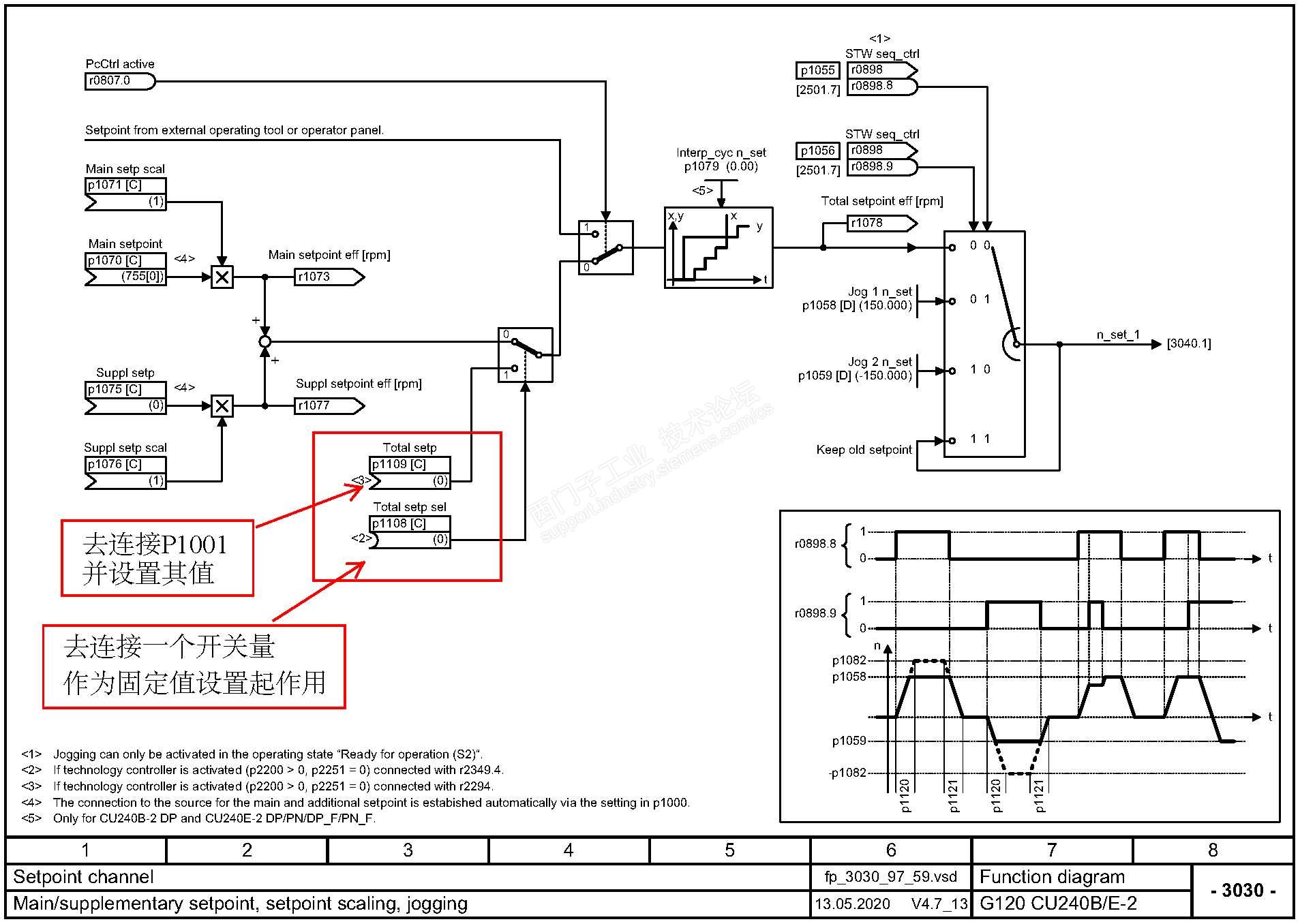
如果是我,我就不用参数组转换。当然用参数组转换也无可厚非。但两套参数组必须要一致。只有设定点不同。


我用一套参数组。一样可以转换,在线运行的转换也行。见图示

在转速的总设定点做转换即可。


我是你的朋友
评论
编辑推荐: 关闭

请填写推广理由:

本版热门话题

SINAMICS

共有8098条技术帖

相关推荐

热门标签

相关帖子推荐

guzhang

恭喜,你发布的帖子

评为精华帖!

快扫描右侧二维码晒一晒吧!

再发帖或跟帖交流2条,就能晋升VIP啦!开启更多专属权限!

  • 分享

  • 只看
    楼主

top
您收到0封站内信:
×
×
信息提示
很抱歉!您所访问的页面不存在,或网址发生了变化,请稍后再试。