GL150中压变频器

已锁定

青春的活跃

  • 帖子

    204
  • 精华

    2
  • 被关注

    6

论坛等级:侠圣

注册时间:2019-11-16

钻石 钻石 如何晋级?

GL150中压变频器

907

2

2023-09-15 15:20:36

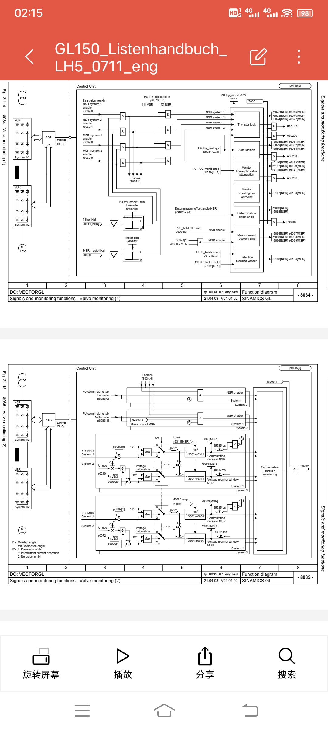
请教各位版主,GL150变频器这个换向监控时间是如何算出来的,感觉牵涉的知识面太广阔了。

GL150中压变频器 已锁定
编辑推荐: 关闭

请填写推广理由:

本版热门话题

SINAMICS

共有8099条技术帖

相关推荐

热门标签

相关帖子推荐

guzhang

恭喜,你发布的帖子

评为精华帖!

快扫描右侧二维码晒一晒吧!

再发帖或跟帖交流2条,就能晋升VIP啦!开启更多专属权限!

  • 分享

  • 只看
    楼主

top
您收到0封站内信:
×
×
信息提示
很抱歉!您所访问的页面不存在,或网址发生了变化,请稍后再试。