回复:求助,70VC内部张力控制收卷机,DP通讯改成外部张力控制器输出模拟量给定VC速度,参数设置

已锁定

HUANGZE75

  • 帖子

    12881
  • 精华

    122
  • 被关注

    440

论坛等级:至圣

注册时间:2006-08-24

钻石 钻石 如何晋级?

发布于 2023-09-26 16:51:10

5楼

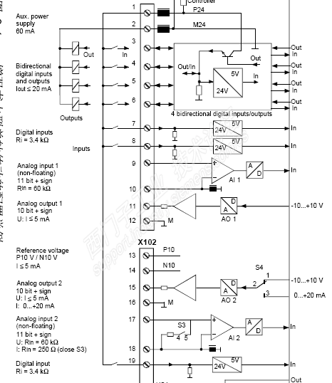
其实我开始想法就是如果是PLC控制VC速度,在PLC内运算输出就比较好办,我就是使用外部张力控制器给定速度给70VC,模拟量给定速度。使用一个开关控制内部通讯给定速度和外部张力控制器给定速度



评论
编辑推荐: 关闭

请填写推广理由:

本版热门话题

MasterDrives

共有5854条技术帖

相关推荐

热门标签

相关帖子推荐

guzhang

恭喜,你发布的帖子

评为精华帖!

快扫描右侧二维码晒一晒吧!

再发帖或跟帖交流2条,就能晋升VIP啦!开启更多专属权限!

  • 分享

  • 只看
    楼主

top
X 图片
您收到0封站内信:
×
×
信息提示
很抱歉!您所访问的页面不存在,或网址发生了变化,请稍后再试。