回复:G120XA宏41,怎么把AO0或者AO1改成频率输出

已锁定

kdrjl

版主 西门子1847工业学习平台

  • 帖子

    37128
  • 精华

    455
  • 被关注

    1479

论坛等级:至圣

注册时间:2003-06-06

钻石 钻石 如何晋级?

发布于 2023-12-05 14:23:58

5楼

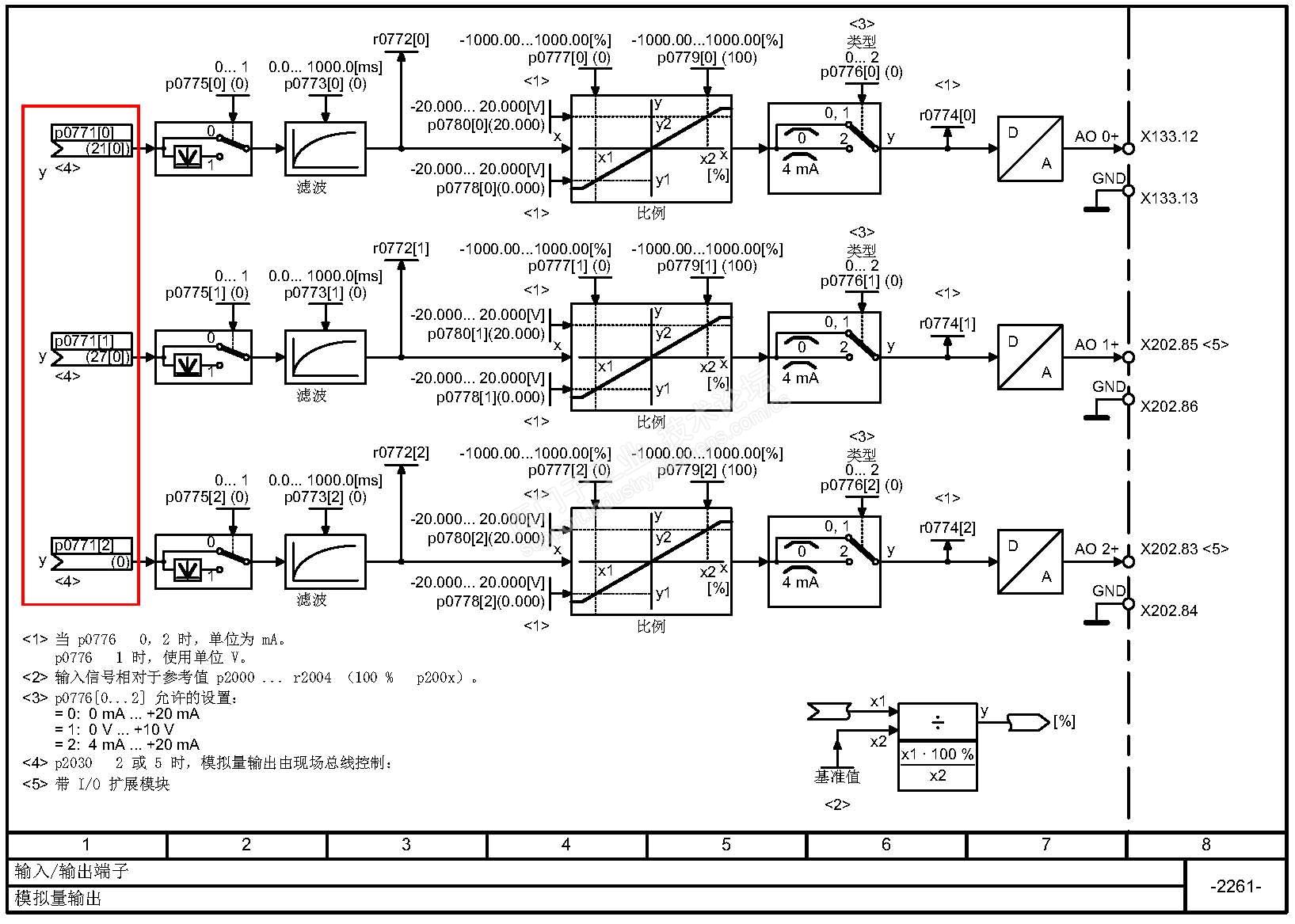
再不熟悉的变频器,你要用就得做功课。看手册是必须的。看书,不一定要通读。有针对性的读即可。叫:带着问题学,活学活用,立竿见影。


另外,图纸是工程师的语言。看图说话最直截了当了。就比如楼主的问题,只需两张图,问题一目了然。




我是你的朋友
评论
编辑推荐: 关闭

请填写推广理由:

本版热门话题

MicroMaster

共有6825条技术帖

相关推荐

热门标签

相关帖子推荐

guzhang

恭喜,你发布的帖子

评为精华帖!

快扫描右侧二维码晒一晒吧!

再发帖或跟帖交流2条,就能晋升VIP啦!开启更多专属权限!

  • 分享

  • 只看
    楼主

top
X 图片
您收到0封站内信:
×
×
信息提示
很抱歉!您所访问的页面不存在,或网址发生了变化,请稍后再试。