01前言
这个项目是前面单泵控制的升级版,单泵控制从设计到程序,都有不完善的地方,所以才有了这个双泵的方案。
02正文
目前的电厂发电机油冷却系统中,已经开始使用液位的自动控制系统,使油箱的液位控制更加安全而便利。而实际生产中大量使用的,是液位控制板,这种控制板大多应用于民用的水位控制中,而作为关系国计民生的电力系统,需要更为先进、更为稳定的一套控制系统来作为油箱的液位中心控制单元。如下图:

该系统主要包括一套以LOGO!控制器和触摸屏为中心的控制系统和一套以超声波液位计为中心的检测系统。超声波液位计通过对油箱液位的检测,将高、低液位信号传送给LOGO!控制器,LOGO!控制器通过逻辑判断,控制主泵和备泵的启动、停止、自动轮换,并把过载、空载等故障信号输出,同时在触摸屏显示、报警。如下图:

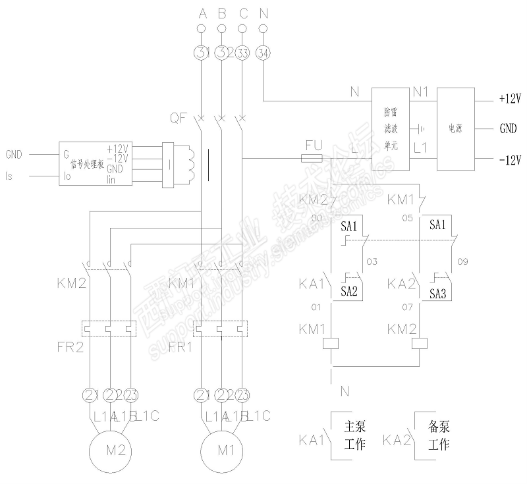
使用的主要器件有LOGO!12/24RCE,扩展模块DM8 12/24R,SMART 700IE V3触摸屏,接触器SRT6026-25A,断路器5SY6-32A/4P,热继电器3UA5240-2B等。
控制系统采用LOGO!12/24RCE控制器作为中心控制单元,与触摸屏通过网线连接,更为实用、方便。逻辑功能块的使用是LOGO!的一大特色,感觉在编程方式上跟目前主流的可编程逻辑器件FPGA、CPLD等有相似之处,非常好用。
SMART LINE系列触摸屏,在经过升级之后,有了更好的触控效果和体验。用专用的防雷滤波器作为控制系统的防护和对外部干扰的处理。
主回路原理图:

控制回路原理图:

控制系统完成的功能
【1】通过LOGO!控制器以及扩展模块对主油泵和备用油泵的控制,达到油箱液位控制的目的。通过启停信号的逻辑,与实际电流的比较,实现油泵空载的检测和报警。利用模拟量的滤波功能,实现对油泵启动过程中电流扰动的消除。
【2】通过异步脉冲触发器及其他功能块的联锁实现主油泵和备用油泵的定时轮换功能。
【3】通过热继电器触点的输入,实现泵的过载故障报警及显示。通过对泵的运行电流与启动逻辑的判断,实现油泵电机空载的检测及报警功能。
【4】通过异步脉冲触发器,可以方便地实现主泵和备泵的自动轮换功能。
【5】通过触摸屏,显示水泵的工作状态、实际运行电流及工作时间,显示液位的当前状态。
【6】与DCS联机,实现启停信号的接收,启停信号及故障信号的远传功能。
触摸屏面板显示:

LOGO!控制器程序图:

通过该项目的运作,充分证实了西门子产品是非常可靠、易用的,相对于市面上其他PLC来说,LOGO!控制器所特有的编程语言上手快,使用方便,大大减少了设计人员的工作量,缩短了产品的开发和生产周期,现场调试也很方便。
点击此处,即可领取西门子官方工业商城LOGO!专属优惠券!

