工作至今,感觉机器比喻是个人的话,机械就像是人的骨架和肌肉,电器就像是神经和血液,PLC等控制器就像大脑。
电器的优劣(包括调试)决定了机器性能的优劣。既然说到了调试,那就讲讲关于张力调节的事。
使用位移传感器调节张力属于间接控制,张力稳定需要线速度稳定,线速度稳定的话位移传感器检测到的位移也是几乎不变。
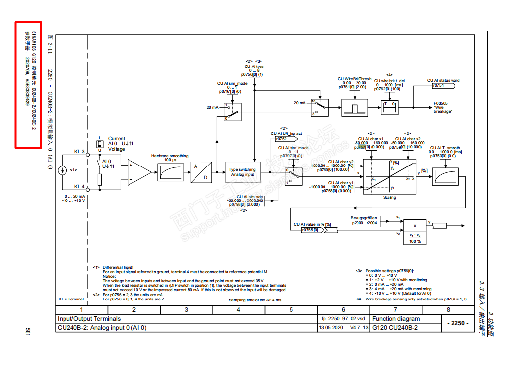
位移传感器输出电压范围0-10V,对应机械的范围就是最低位置和最高位置点。此时如果需要张力稳定机械位置在中间位置时,对于G120变频器标定参数是这样的
p0757[0...1] CU 模拟量输入特性曲线值 x1 / CU AI 特性曲线 x1,
说明: 设置模拟量输入的定标曲线。 模拟输入的定标曲线通过 2 个点来定义。 该参数给出了特性曲线第 1 值对的 x 坐标 (V, mA)
p0758[0...1] CU 模拟量输入特性曲线值 y1 / CU AI 特性曲线 y1
说明: 设置模拟量输入的定标曲线。 模拟输入的定标曲线通过 2 个点来定义。 该参数给出了特性曲线第 1 值对的 y 坐标 (百分比值)。
p0759[0...1] CU 模拟量输入特性曲线值 x2 / CU AI 特性曲线 x2
说明: 设置模拟量输入的定标曲线。 模拟输入的定标曲线通过 2 个点来定义。 该参数给出了特性曲线第 2 值对的 x 坐标 (V, mA)。
p0760[0...1] CU 模拟量输入特性曲线值 y2 / CU AI 特性曲线 y2
说明: 设置模拟量输入的定标曲线。 模拟输入的定标曲线通过 2 个点来定义。 该参数给出了特性曲线第 2 值对的 y 坐标 (百分比值)。本例如果是模拟量通道0输入,则设置值为P757.0=0,P758.0=-100,P759.0=10,P760.0=100.
控制效果就是运转信号到,张力检测部件由于电机运转线缆被拉起建立张力。