公司内一台进口的德马格行车,使用了18年了,近期出现了一些问题,上升下降有点失控。一般这种情况下都是主电路正反转接触器问题。打开电箱门。


一看开始有点糊涂了,后实际带电操作行车正反转,发现是一个接触器控制的,这个德国德马格产的AC24V接触器相对当是二个普通的接触器组合而成的。带接触器常闭触点互锁。适用3KW的AC3环境下使用的。
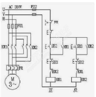
我们常规的电机正反转控制电路控制原理图

德马格的这种行车接触器,占地小,应该是定制的接触器,国内没有那家做这种类似的二合一正反转接触器,找德马格的这种STF8133接触器备件,发现这种德国产价格很贵价格在2千多。就考虑自己改造一下,就是一个简单的正反转电路而已。后仔细研究了一下德马格接触器的参数,考虑采用国内容易购买的如合资的施耐德接触器来代替。

使用施耐德的二台LC11801,AC24V,带一对常闭辅助触点的接触器,价格总共不到200元,就可以完全代替德马格的STF8133了,以后更换接触器也很方便了。安装好后试机效果非常好,完全满足需求。简单的解决了这个比较棘手的问题。