回复:算法探讨,逻辑运算和循环移位的妙用

已锁定

跃溪

  • 帖子

    246
  • 精华

    0
  • 被关注

    4

论坛等级:侠士

注册时间:2020-03-28

钻石 钻石 如何晋级?

发布于 2024-01-05 14:32:26

12楼

展开查看
以下是引用xyvsjay在2024-01-04 14:41:54的发言 >9楼


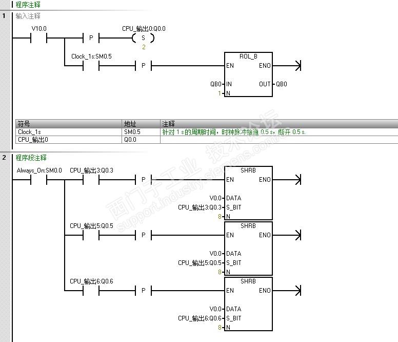
程序写好了,测试后是可以的。

很简单,第一步循环移位,第二步,移位碰到失效的点位就在当前点位插入0并进行寄存器移位。

哪一台设备故障,不是预先知道的,是不确定的呢!


评论
编辑推荐: 关闭

请填写推广理由:

本版热门话题

SIMATIC S7-200 SMART

共有8941条技术帖

相关推荐

热门标签

相关帖子推荐

guzhang

恭喜,你发布的帖子

评为精华帖!

快扫描右侧二维码晒一晒吧!

再发帖或跟帖交流2条,就能晋升VIP啦!开启更多专属权限!

  • 分享

  • 只看
    楼主

top
您收到0封站内信:
×
×
信息提示
很抱歉!您所访问的页面不存在,或网址发生了变化,请稍后再试。