回复:18344761667

已锁定

甫哥

  • 帖子

    1448
  • 精华

    72
  • 被关注

    84

论坛等级:至圣

注册时间:2009-01-04

白金 白金 如何晋级?

发布于 2024-01-16 10:18:02

11楼

展开查看
以下是引用聪明的小修修在2024-01-16 09:43:14的发言 >9楼

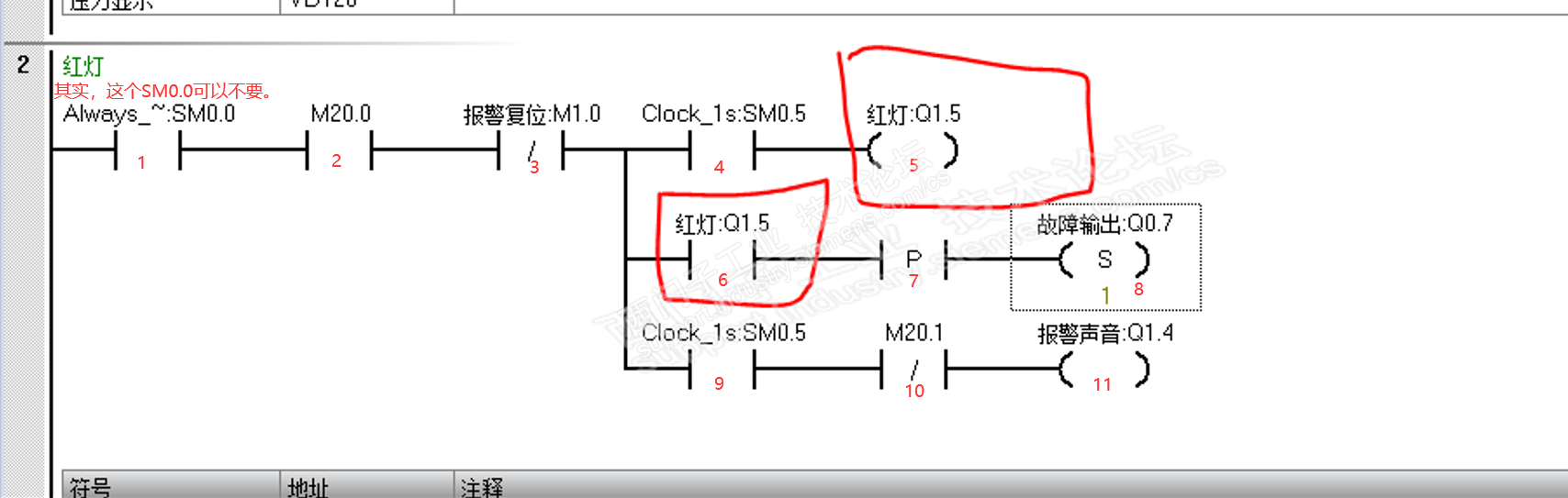
第二行程序常开点Q1.5和第一行线圈Q1.5两行程序换下,线圈Q1.5刚导通的那一个周期,Q1.5的常开点是在这之前执行,所以不影响还是常开。

以下是引用甫哥在2024-01-16 09:09:38的发言 >8楼:【线圈Q1.5在第一个...

引用8楼详细内容:

【线圈Q1.5在第一个周期导通,在这个周期内Q1.5的常开点会不会闭合,还是说下个周期才导通闭合?  】

1)图片中(程序段2):Q1.5的常开点 在其线圈的后面(按扫描顺序),常开点本周期内闭合;

2)如果 点 在 线圈的前面(按扫描顺序),则常开点在下一周期闭合。例如:Q1.5的点,在程序段1中;


【还有就是大家说的PLC扫描是从左往右 ,从上往下,图中的这个一段程序有三行,它是从左往右执行的,那这三行遵循从上往下么?还是说在一句程序内,虽然有很多行,但是他是连在一起的,是一起执行的,没有从上到下的说法?】

遵循:从上到下,从左到右;

1、参考下图:


2、引入【堆栈】概念后,执行顺序如图:



3、切换为【STL】:语句表 编程,可以清楚的看出 扫描执行的顺序、步数(与 书写顺序一致):


LD     Always_On:SM0.0

A      M20.0

AN     报警复位:M1.0

LPS

A      Clock_1s:SM0.5

=      红灯:Q1.5

LRD

A      红灯:Q1.5

EU

S      故障输出:Q0.7, 1

LPP

A      Clock_1s:SM0.5

AN     M20.0

=      报警声音:Q1.4


是的。

如果将【分支行】中的 第一行【Q1.5线圈输出行】与 第二行【Q1.5的 上升沿 置位Q0.7】调换后, 在Q1.5输出高电平后的下一个周期,才会置位Q0.7。

书山有路勤为径,学海无涯苦作舟;三人行,必有我师;森林之外的树木也能成才
评论
编辑推荐: 关闭

请填写推广理由:

本版热门话题

SIMATIC S7-200 SMART

共有8945条技术帖

相关推荐

热门标签

相关帖子推荐

guzhang

恭喜,你发布的帖子

评为精华帖!

快扫描右侧二维码晒一晒吧!

再发帖或跟帖交流2条,就能晋升VIP啦!开启更多专属权限!

  • 分享

  • 只看
    楼主

top
您收到0封站内信:
×
×
信息提示
很抱歉!您所访问的页面不存在,或网址发生了变化,请稍后再试。