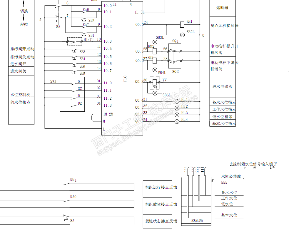
我厂的输煤系统用了一个管式除尘设备,其工作原理就是通过风机抽吸将带有煤粉颗粒的气体,然后通过特定的通道将煤粉颗粒留下,然后用水将煤粉颗粒冲刷带走,它有四个水位指示灯

那天故障情况是,四个水位灯同时亮,同时灭,导致输煤操作人员说是plc失控了,当时我到就地一看,确实是操作人员说的,稍微的动一下四个水位计的接线,要么灯全灭,要么灯全亮,因为四个水位计的出现接线在一块绑着,它们的公共线是接着其外壳的,此时我心想,这绝对不会是plc出现问题了,因为plc控制的输出,如果坏了,就不会出现这种变化了,当然不会和外部的操作有关,况且当时就地这几根线的工作环境比较潮湿,外部都有水,线和线有可能短路,水位计出来的线不是整根,而是做了四个接头,然后连到plc是输入,说实话我从原理图上没有看出来,怎么才能导致出现这种情况,四个灯,同时亮起,同时熄灭的情形,当时我把四个水位计的线,都拆开,并且把水都擦干净,重新接上,灯的指示正常了,光是低水位的灯亮了,虽然缺陷是消除了,但是没有把问题彻底搞明白,心里不甘心,这件事过去好长时间了,但是我还是没有想通,希望大家,积极参与,积极留言,谢谢!