无报警下中频电源不起振

已锁定

第7代CNC

  • 帖子

    905
  • 精华

    3
  • 被关注

    96

论坛等级:奇侠

注册时间:2009-11-29

钻石 钻石 如何晋级?

无报警下中频电源不起振

895

8

2024-02-27 09:42:34


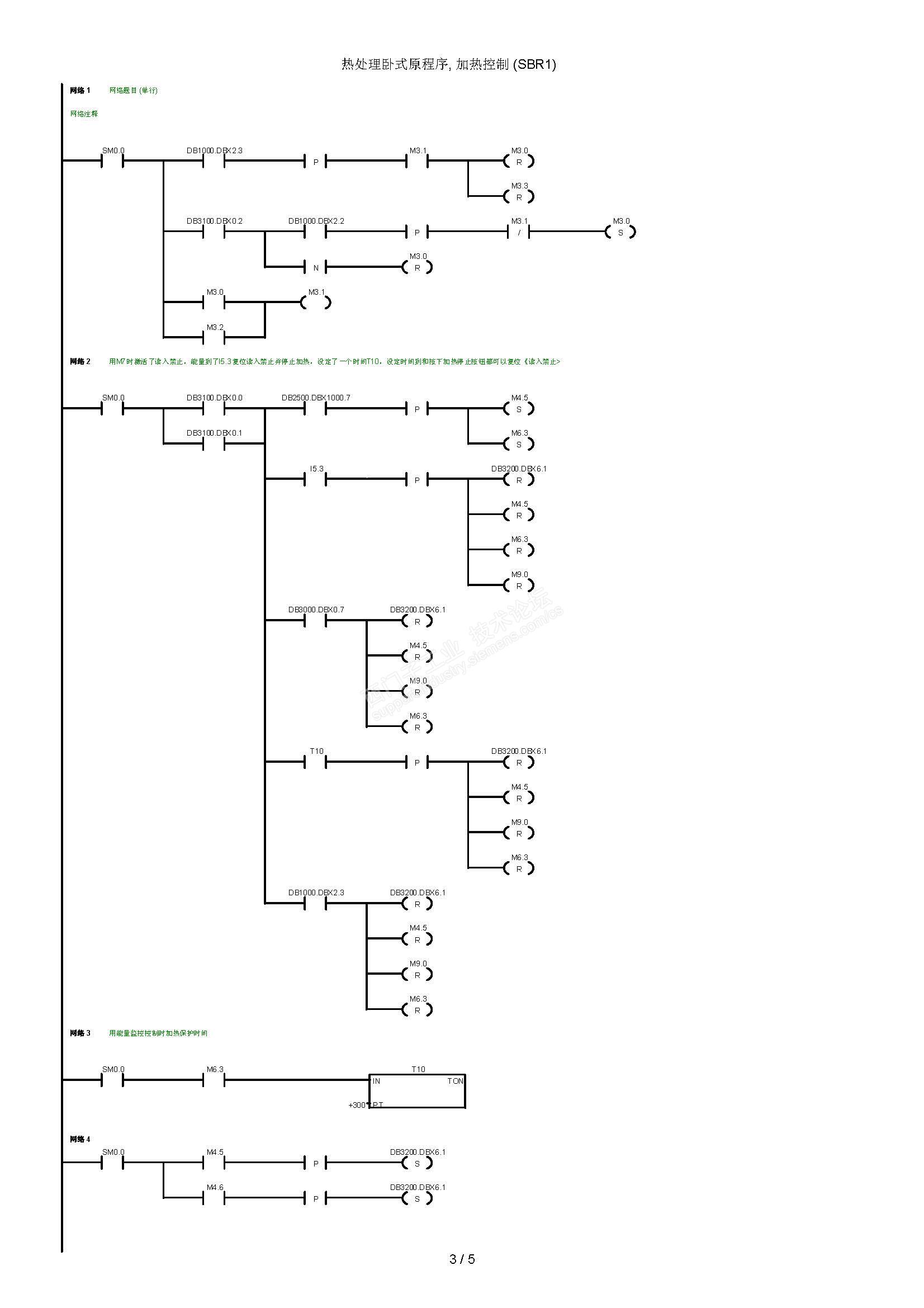
M25加热启动;M26加热停止,Q2.0加热启动,Q2.1加热停止。M07 HMI能量监控开,M02、M30程序结束,I5.3能量达到(设定功率满)。

I3.2冷却水温报警,I3.3淬火水温报警,I3.0冷却水泵保护KM1,I3.1冷却水泵保护KM2,I3.4旋转变频器报警,I3.5冷却水泵水压保护,I5.0感应器下降到位,Q3.1工件正转。

这里面涉及到NCK->PLC,PLC->NCK,PLC->MT->中频电源,MT->PLC,PLC<->HMI的信号交互

无报警下中频电源不起振 已锁定
编辑推荐: 关闭

请填写推广理由:

本版热门话题

SINUMERIK

共有25590条技术帖

相关推荐

热门标签

相关帖子推荐

guzhang

恭喜,你发布的帖子

评为精华帖!

快扫描右侧二维码晒一晒吧!

再发帖或跟帖交流2条,就能晋升VIP啦!开启更多专属权限!

  • 分享

  • 只看
    楼主

top
X 图片
您收到0封站内信:
×
×
信息提示
很抱歉!您所访问的页面不存在,或网址发生了变化,请稍后再试。