MODBUS 读取02功能码报16#8382

已锁定

康立

  • 帖子

    2
  • 精华

    0
  • 被关注

    0

论坛等级:游民

注册时间:2014-10-14

普通 普通 如何晋级?

MODBUS 读取02功能码报16#8382

2166

5

2024-03-12 22:15:15

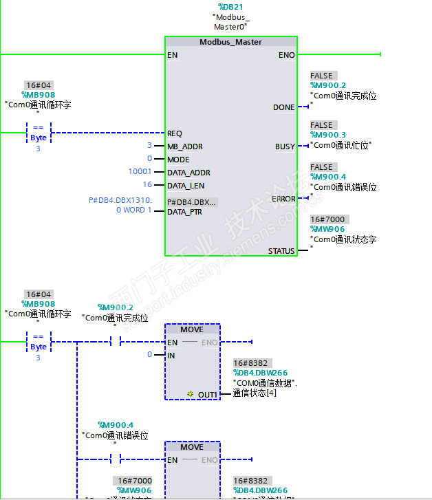
请教:S7-1200 modbus 通讯读取同一地址的03功能码和02功能码,03功能码读取正常,就是02功能码报16#8382。而且还有奇怪的事情,去年项目同厂家设备读取01功能码正常,今年项目01功能码报16#8382,没有办法换通讯管理机读取再modbusTCP 传给PLC。请高人指点,先谢了!!!!







MODBUS 读取02功能码报16#8382 已锁定
编辑推荐: 关闭

请填写推广理由:

本版热门话题

SIMATIC S7-1200系列

共有15647条技术帖

相关推荐

热门标签

相关帖子推荐

guzhang

恭喜,你发布的帖子

评为精华帖!

快扫描右侧二维码晒一晒吧!

再发帖或跟帖交流2条,就能晋升VIP啦!开启更多专属权限!

  • 分享

  • 只看
    楼主

top
X 图片
您收到0封站内信:
×
×
信息提示
很抱歉!您所访问的页面不存在,或网址发生了变化,请稍后再试。