回复:使用PID输出55330~27648,控制电磁接触器用于加热器加温,方法可行性怎样?

已锁定

甫哥

  • 帖子

    1448
  • 精华

    72
  • 被关注

    84

论坛等级:至圣

注册时间:2009-01-04

普通 普通 如何晋级?

发布于 2024-03-19 10:15:37

20楼

A、楼主的方案控制精度可能会比较低,甚至可能精度很差;

B、温控仪表是比较成熟的控制方案。还能节约脑细胞;

C、看到楼主采用PID等,控制4组同功率加热管,实现近似恒温控制,想到可否参考:4台泵,固定泵1变频调节,其余3台工频运行的恒压供水系统;

方案简述:

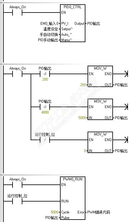
1、固定组1调温。PID的输出送PWM。如:向导组态PWM0,脉冲由Q0.0输出;

2、PWM周期以固定周期5秒为例;

3、PID向导中的【输出】配置参考下图:模拟量输出【单极】、范围【0-5000】;5000对应下面PWM的周期5.000秒;

 


4、PWM向导中的 时基 设置为 【毫秒】;

 


5、由于PWM输出的Q0.0控制的是接触器,应屏蔽掉非常短的脉冲(假如:小于0.2秒),以及屏蔽掉接触器释放时间非常短的释放动作(假如:小于0.2秒。吸合时间大于4.800秒)。PID的输出需加以限制后,在送给PWM;

 当然了,如果Q0.0控制的组1采用固态继电器,则可以取消的此限制,或限制改为10毫秒以内;下面相关部分应作相应调整。


6、增加加热组

例如条件:运行中、PID输出接近饱和(如PID输出大于4950)、当前温度小于设定温度0.1度、加热中 组的数量小于4组等等,延时后输出一个周期时间的脉冲,用于执行 增加热组;

7、执行增加热组

7.1、【PID手动输出】赋值0.04。增加加热组后,使Q0.0的输出变为最短输出时间,0.2秒:200.0/5000.0=0.04;

7.2、PID的【手自动切换】置0,使PID手动输出一个周期,PID的输出复位为200;

7.3、加热组2运行;并记录加热组的运行数量;

7.4、PID切换为自动:【手自动切换】置1;

7.5、同理,如果温度达不到设,可以逐步投入全部加热组。其中Q0.0控制的组1,始终由PID、PWM控制温度的微调;

8、减加热组条件

例如:运行中、PID输出接近0(如PID输出小于50)、当前温度大于设定温度0.1度、加热中 组的数量大于1组等等,延时后输出一个周期时间的脉冲,用于执行 减加热组;

9、执行减加热组

9.1、【PID手动输出】赋值0.96。实现减加热组后,将Q0.0的输出调整为接近满负荷。即PWM的一个调节周期内,Q0.0的输出时间达到4.8秒后,强制为连续输出:4800.0/5000.0=0.96;

9.2、PID的【手自动切换】置0,使PID手动输出一个周期,PID的输出赋值为4800;

7.3、停止一组加热;并记录加热组的运行数量;

7.4、PID切换为自动:【手自动切换】置1;

7.5、同理,如果温度持续偏高,可以逐步停止加热组。其中Q0.0控制的组1,由PID、PWM控制温度的微调;


A、启动时可否考虑:依次快速将加热组全部投入,当温度上升至接近设定温度后,根据现场情况,停止1~2组。

B、建议PWM控制的那组加热采用固态继电器。以缩短PWM的周期(如2.0秒以内)。同时,调整或取消PWM的最短输出时间、最短释放时间的限制。即:缩短PWM的周期及取消输出占空比的限制;以进一步提高控制精度。

C、实现8组及以上的控制,没有问题;理论上 加热组数无限制。

D、如果PWM的周期可通过HMI等设置,可根据向导PID组态的【最大输出】(本例为5000,对应PWM周期5.000秒)以及PID的当前输出,计算出送至PWM输入脚Cycle、及Pulse的适合数据。以及计算下图中的2个常数等等




书山有路勤为径,学海无涯苦作舟;三人行,必有我师;森林之外的树木也能成才
评论
编辑推荐: 关闭

请填写推广理由:

本版热门话题

SIMATIC S7-200 SMART

共有9384条技术帖

相关推荐

热门标签

相关帖子推荐

guzhang

恭喜,你发布的帖子

评为精华帖!

快扫描右侧二维码晒一晒吧!

再发帖或跟帖交流2条,就能晋升VIP啦!开启更多专属权限!

  • 分享

  • 只看
    楼主

top
X 图片
您收到0封站内信:
×
×
信息提示
很抱歉!您所访问的页面不存在,或网址发生了变化,请稍后再试。