回复:G120-PROFINET通信条件下的速度补偿

已锁定

yming

版主 西门子1847工业学习平台

  • 帖子

    23259
  • 精华

    882
  • 被关注

    1260

论坛等级:至圣

注册时间:2004-03-06

钻石 钻石 如何晋级?

发布于 2024-03-26 11:22:55

11楼

我理解:

1、BiCo的意思是使用控制的传递。如同我们编程使用的FBD(功能块编程)是一样的。如同LOGO编程,只是将一个块的输出连接到另一个块的输入。(手动编程是将每一个块的输入填入另一个块的输出;图形编程只是连接线段而已。)

这里也是如此,BiCo互联就是你用的块输入填入那个信号源的参数号

2、西门子驱动(包括直流驱动)使用了一套完整标准、规范化的控制程序。优点是:除了HMI(人机界面)外,不涉及任何实际物理参数。(如实际功率、电流、电压转矩等等。)

这就是:采用hex 4000=16384=100.0%=1用于一般速度、转矩、电流、电压等控制。

注意:它的数据类型INT;表示范围是 +/-200%;精度是 1.6万分之一。足以满足绝大多数控制需求。

各种不同规格驱动器,具有不同的功率、电流、电压、转矩等边界参数;这些参数的实际值,由参数号2000 -2008来标定。标定的是100%的含义。例如:P2002=57A;则值16384=100%=57A

内部完全采用整数运算,仅在HMI界面转换成浮点数(包括调试软件中)。

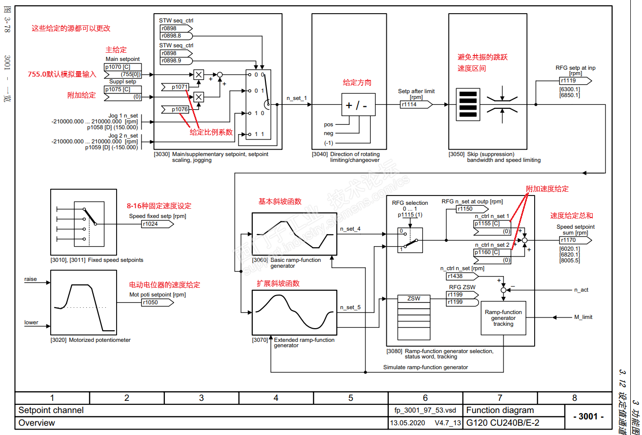
如果理解了上述两点:那么就可以看懂功能图:下面是速度给定通道的功能图:



默认的主给定来自755.0(模拟量1信号源),当你选择报文给定后,它会改成2050.1来自报文PZD2;

在这里可以看到,它有附加给定;此外还有比例系数;也可以将给定送到斜坡函数之后。

(不推荐加入到斜坡函数之后,较大的变速、升速/降速,很容易引起过流。这些点,都是用于如转矩补偿等控制用的。)


如何加入:速度控制,采用报文352即可,它留有4个可以自由互联的PZD。

注意,尽量使用PZD5,PZD6;因为PZD3、PZD4是可以位控的。




学而时习之,不亦说乎?温故而知新,不亦乐乎?
评论
编辑推荐: 关闭

请填写推广理由:

本版热门话题

SINAMICS

共有8163条技术帖

相关推荐

热门标签

相关帖子推荐

guzhang

恭喜,你发布的帖子

评为精华帖!

快扫描右侧二维码晒一晒吧!

再发帖或跟帖交流2条,就能晋升VIP啦!开启更多专属权限!

  • 分享

  • 只看
    楼主

top
X 图片
您收到0封站内信:
×
×
信息提示
很抱歉!您所访问的页面不存在,或网址发生了变化,请稍后再试。