6se70开卷机应用,,,,

已锁定

勤律

  • 帖子

    56
  • 精华

    0
  • 被关注

    0

论坛等级:游侠

注册时间:2021-09-01

钻石 钻石 如何晋级?

6se70开卷机应用,,,,

955

3

2024-04-07 16:56:22

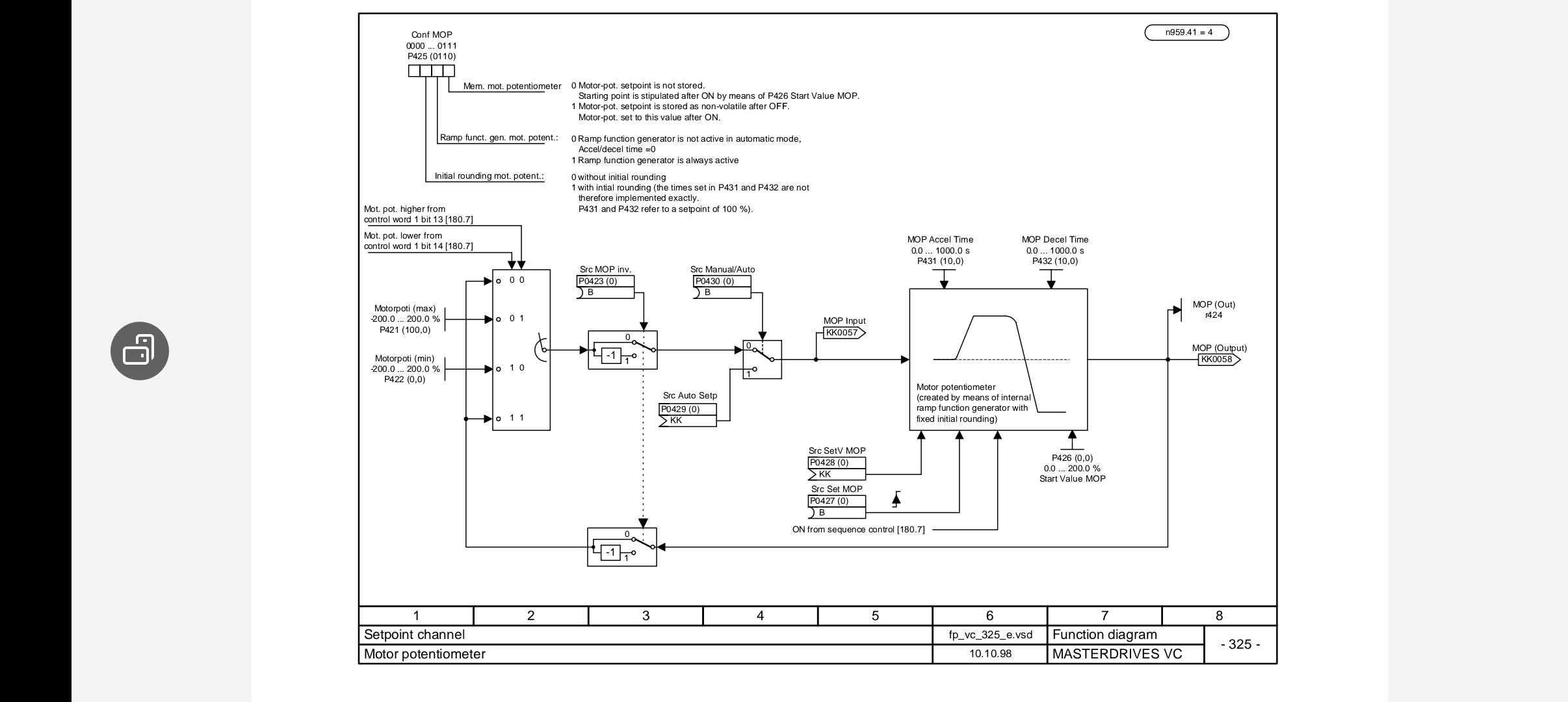
开卷机应用,速度模式,转矩限副,
卷径预设值给到了p428,K0058给到了16位特性曲线输入,16特性曲线输出又乘以给定的张力,这个功能块是根据什么产生对应的输出,有卷径变化的功能么?


6se70开卷机应用,,,, 已锁定
编辑推荐: 关闭

请填写推广理由:

本版热门话题

MasterDrives

共有5852条技术帖

相关推荐

热门标签

相关帖子推荐

guzhang

恭喜,你发布的帖子

评为精华帖!

快扫描右侧二维码晒一晒吧!

再发帖或跟帖交流2条,就能晋升VIP啦!开启更多专属权限!

  • 分享

  • 只看
    楼主

top
您收到0封站内信:
×
×
信息提示
很抱歉!您所访问的页面不存在,或网址发生了变化,请稍后再试。