回复:6se70开卷机应用,,,,

已锁定

kdrjl

版主 西门子1847工业学习平台

  • 帖子

    37132
  • 精华

    455
  • 被关注

    1479

论坛等级:至圣

注册时间:2003-06-06

钻石 钻石 如何晋级?

发布于 2024-04-10 16:57:28

3楼

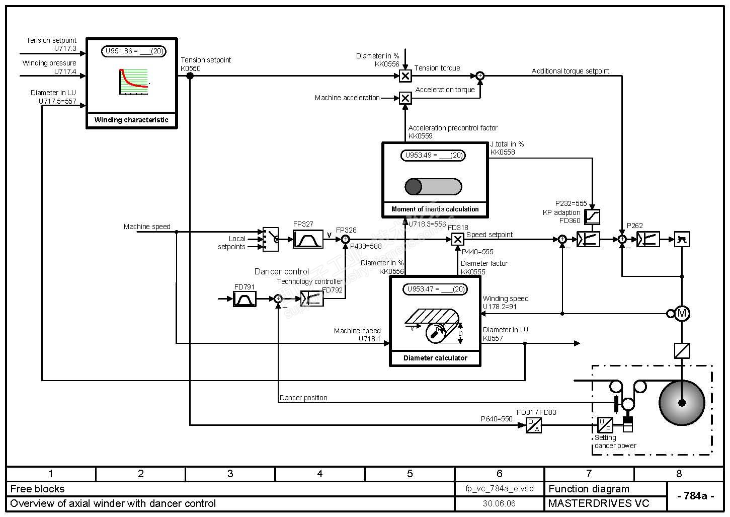
这是个电动电位计。也就是说,按加按键,输出值增加,抬手断开按键,输出停止。按减按键,反之亦然。


这是个纯手动的加减信号调节。卷径变化控制,用这个功能实现?太搞笑了吧?


特性曲线不是这个块。

特性曲线:

卷径计算块

我是你的朋友
评论
编辑推荐: 关闭

请填写推广理由:

本版热门话题

MasterDrives

共有5854条技术帖

相关推荐

热门标签

相关帖子推荐

guzhang

恭喜,你发布的帖子

评为精华帖!

快扫描右侧二维码晒一晒吧!

再发帖或跟帖交流2条,就能晋升VIP啦!开启更多专属权限!

  • 分享

  • 只看
    楼主

top
X 图片
您收到0封站内信:
×
×
信息提示
很抱歉!您所访问的页面不存在,或网址发生了变化,请稍后再试。